- Partiron
- OEM Parts
- Polaris
- ATV
- 1995
- SCRAMBLER 4X4 - W957840
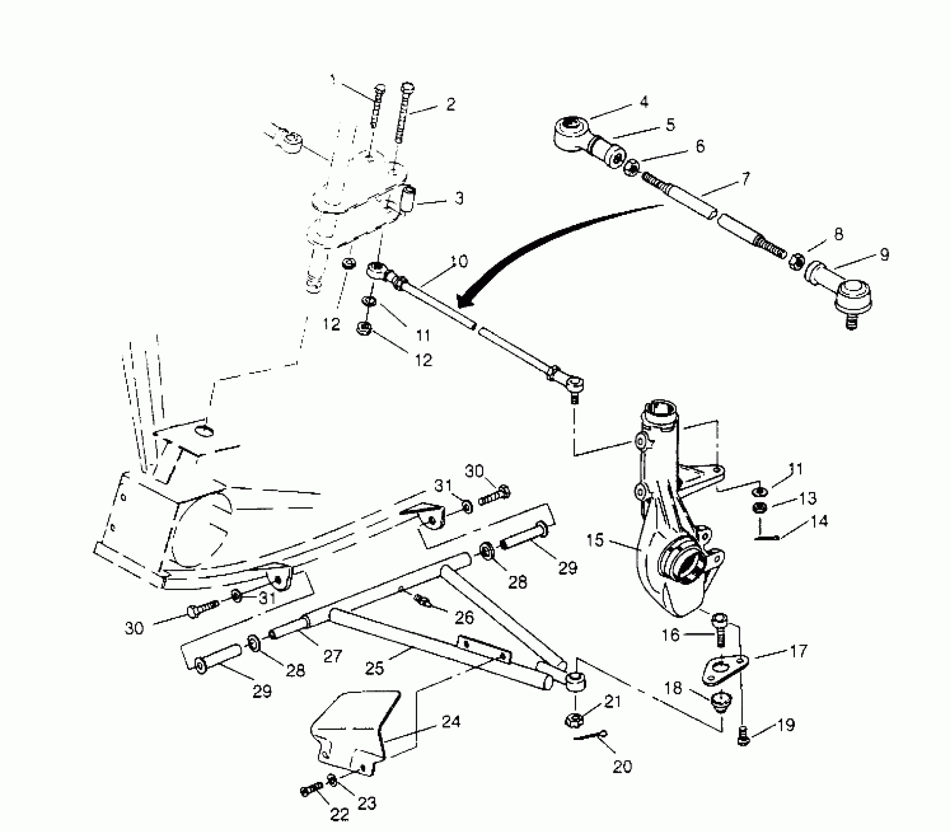
A-ARM/STRUT MOUNTING Scrambler W957840 (4927252725B010)
Polaris SCRAMBLER 4X4 - W957840 A-ARM/STRUT MOUNTING Scrambler W957840 (4927252725B010) Diagram
#
Description
Price
2
BOLT(10) Substituted by 7515554
7515507
Unavailable
5
ROD END, RH Substituted by 1822179
7060149
Unavailable
8
NUT, LH, 10 MM.(10)
7546902
Unavailable
10
TIE ROD ASM. Substituted by 1822478
1822202
Unavailable
15
Asm., Hubstrut, LH (See Pg., Ref.)
-------
Unavailable
15
Asm., Hubstrut, RH (See Pg., Ref.)
-------
Unavailable
16
BALL JOINT Substituted by 7080673
7080364
Unavailable
18
Boot, Rubber
5410548
Unavailable
24
SHIELD,LH CV JOINT Substituted by 5431150-070
5431150
Unavailable
27
Shaft, A-Arm
5020681
Unavailable
29
BUSHING,A-ARM,LONG. Substituted by 5433066
5431596
Unavailable
29
BUSHING,A-ARM,LONG. Substituted by 5433066
5431596
Unavailable
30
BOLT(10) Substituted by 7512492
7515458
Unavailable
30
BOLT(10) Substituted by 7512492
7515458
Unavailable
