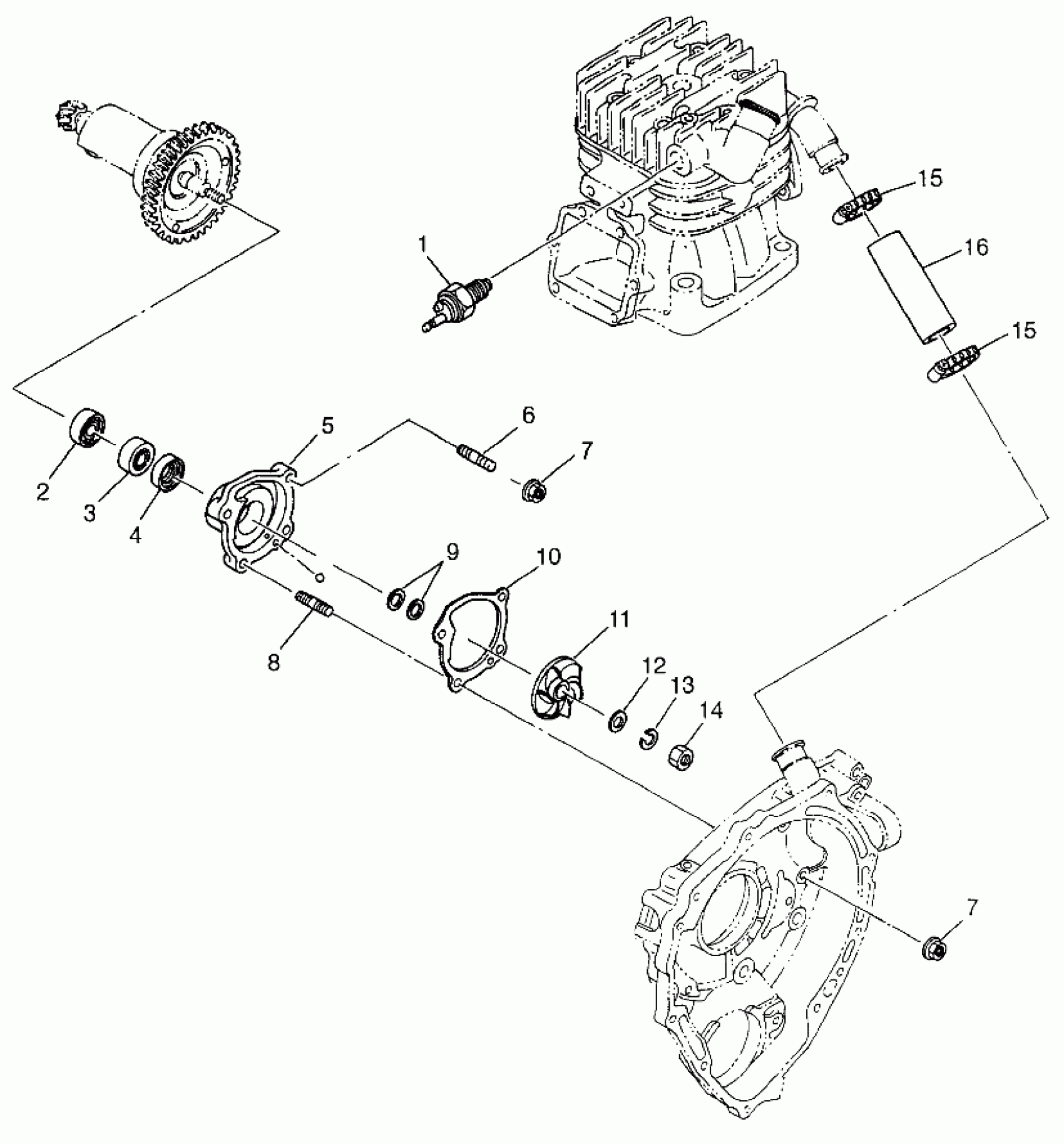
Polaris SCRAMBLER 400 - W98BC38C WATER PUMP - W98BC38C (4947254725d009) Diagram
#
Description
Price
1
SWITCH,THERMAL,IOS
3084284
Unavailable
2
Bearing, Ball
3084183
Unavailable
3
Seal, Oil
3084184
Unavailable
4
Seal, Oil
3084185
Unavailable
5
CASE,WATER PUMP Substituted by 3086770 (Incl. 2-6,8)
3085084
Unavailable
5
CASE,WATER PUMP Substituted by 3084754 (Incl. 6,8)
3085085
Unavailable
6
STUD Substituted by 3086775
3085086
Unavailable
9
SPACER #3, (0.1) (0.1mm)
3084188
Unavailable
9
SPACER #4, (0.2) (0.2mm)
3084189
Unavailable
11
Impeller
3084186
Unavailable
16
HOSE, MAIN Substituted by 3086773
3084190
Unavailable
