- Partiron
- OEM Parts
- Polaris
- ATV
- 1998
- SCRAMBLER 400 - W98BC38C
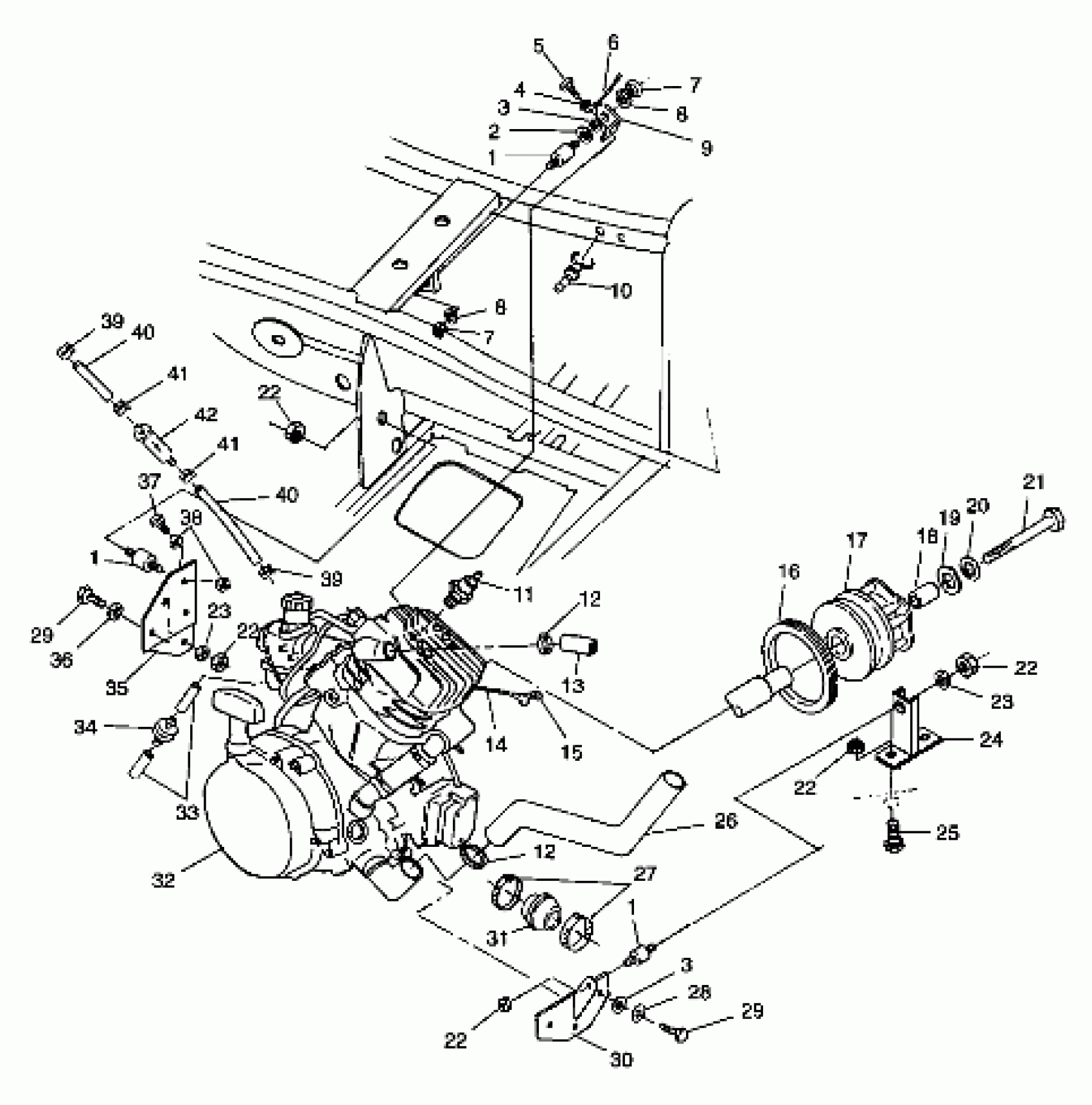
ENGINE MOUNTING Scrambler 400 W98BC38C (4947254725A009)
Polaris SCRAMBLER 400 - W98BC38C ENGINE MOUNTING Scrambler 400 W98BC38C (4947254725A009) Diagram
#
Description
Price
1
MT.,RUBBER,ENG.
3110038
Unavailable
1
MT.,RUBBER,ENG.
3110038
Unavailable
1
MT.,RUBBER,ENG.
3110038
Unavailable
6
CABLE,GND-ENGINE
4010132
Unavailable
9
BRKT,ENG.MT,TOP,BLK,400
5242692-067
Unavailable
10
FITTING,VENT,1/8"
7052192
Unavailable
14
CABLE,SOL/START,DBLBOOT
4010129
Unavailable
16
Seal, Cover Case (See Pg. NO TAG, Ref. NO TAG)
-------
Unavailable
17
Asm., Drive Clutch, Basic ATV-06 (See Pg. NO TAG, Ref. NO TAG)
-------
Unavailable
26
HOSE,FORMED,3/4IDX21.75 Substituted by 5411637
5411556
Unavailable
30
MOUNT,ENGINE
1040231-067
Unavailable
32
ENG.(S.B.)EC38PLE-05 [No Longer Available] NOTE: The Short Block assembly contains a crankcase assembly, cylinder and cylinder head assembly, and a piston & crankshaft assembly. Prior authorization re
3085234
Unavailable
33
FUEL LINE,1/8 ID,600 CM.
8360009-600
Unavailable
34
CHECKVALVE,VENT Substituted by 7051011
7052047
Unavailable
36
WASHER SPRINGLOCK(10) Substituted by 7552603
7553001
Unavailable
40
FUEL LINE,3/16 ID(600 CM.)
8450042-600
Unavailable
40
FUEL LINE,3/16 ID(600 CM.)
8450042-600
Unavailable
