- Partiron
- OEM Parts
- Polaris
- ATV
- 1998
- SCRAMBLER 400 - W98BC38C
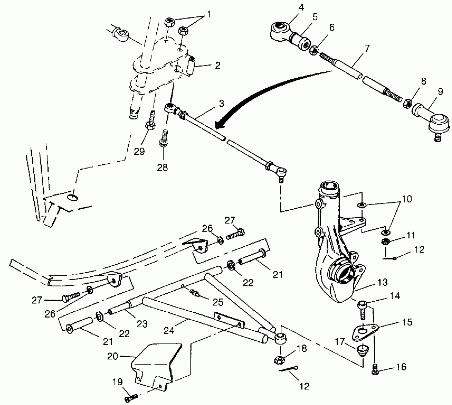
A-ARM/STRUT MOUNTING Scrambler 400 W98BC38C (4947254725B008)
Polaris SCRAMBLER 400 - W98BC38C A-ARM/STRUT MOUNTING Scrambler 400 W98BC38C (4947254725B008) Diagram
#
Description
Price
4
SEAL,BOOT,ROD END,1/2 IN
5411291
Unavailable
5
ROD END Substituted by 7061034
7061019
Unavailable
9
ROD END,LH,W/FTG. Substituted by 7061033
7061018
Unavailable
13
Asm., Hubstrut (See Pg. A20, Ref. 15)
-------
Unavailable
17
Boot, Rubber
5410548
Unavailable
20
SHIELD,LH CV JOINT Substituted by 5431150-070
5431150
Unavailable
21
BUSHING,A-ARM,LONG. Substituted by 5433066
5431596
Unavailable
21
BUSHING,A-ARM,LONG. Substituted by 5433066
5431596
Unavailable
23
Shaft, A-Arm
5020681
Unavailable
24
KIT,LH,A FRAME Substituted by 2201603
2201157
Unavailable
24
KIT,RH,A FRAME Substituted by 2201604
2201158
Unavailable
27
BOLT(10) Substituted by 7512492
7515458
Unavailable
27
BOLT(10) Substituted by 7512492
7515458
Unavailable
28
SCREW(10)
7515554
Unavailable
