- Partiron
- OEM Parts
- Polaris
- ATV
- 1999
- SCRAMBLER 400 - A99BG38CB
STARTING MOTOR - A99BG38CB (4952505250d007)
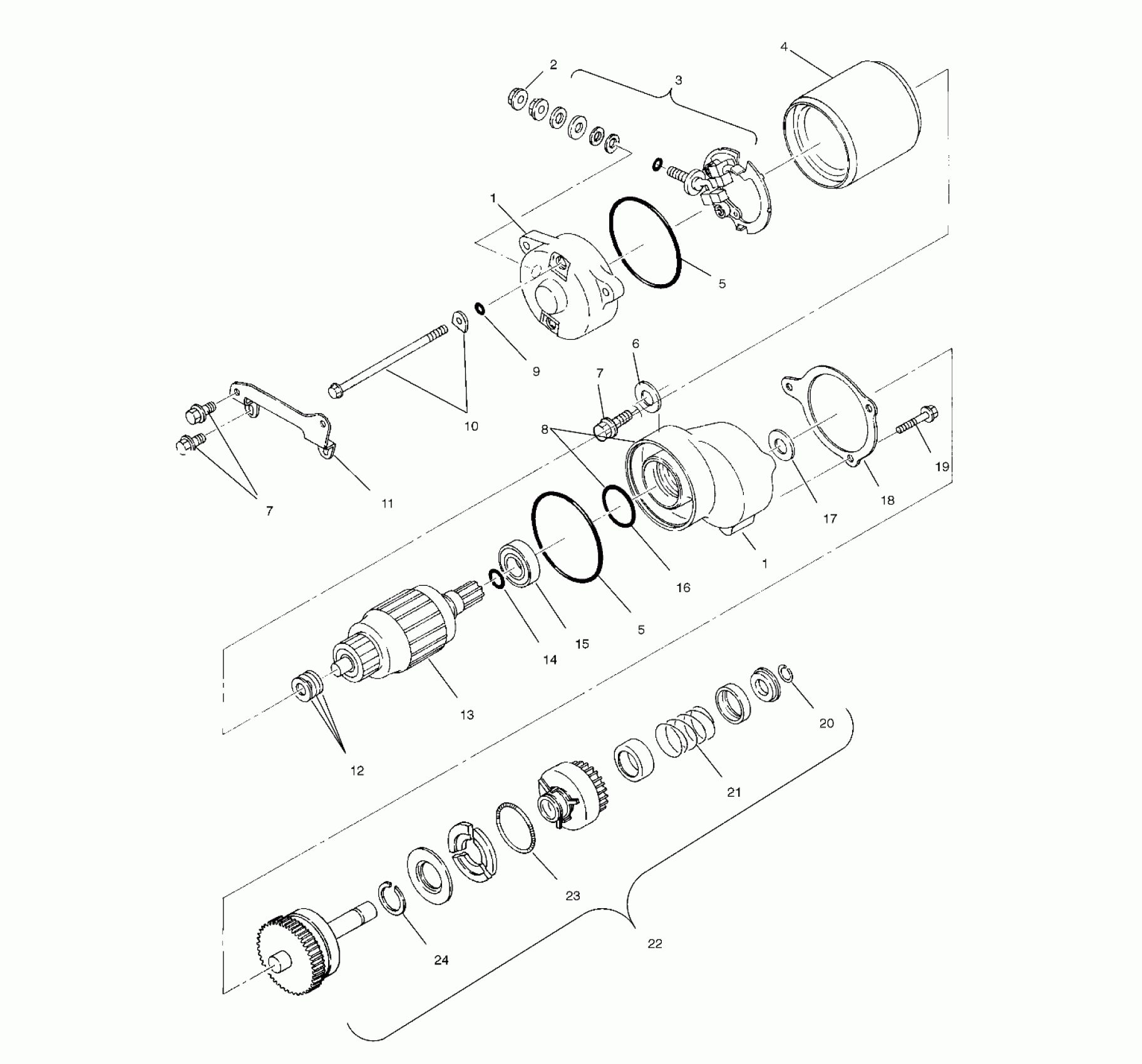
Polaris SCRAMBLER 400 - A99BG38CB STARTING MOTOR - A99BG38CB (4952505250d007) Diagram
#
Description
Price
3
BRUSH,COMPL.2-POLE *
3084406
Unavailable
4
MOTOR ASM,STARTER Substituted by 3087043 (Incl. 1-5,8-10,12-17,20-24)
3085392
Unavailable
4
STARTER MOTOR ASM. * (Incl. 1-3,5,8-10,12-16)
3085393
Unavailable
5
RING, RUBBER
3084405
Unavailable
5
RING, RUBBER
3084405
Unavailable
9
O-RING
3084408
Unavailable
10
Bolt, Through
3084407
Unavailable
11
BRACKET Substituted by 3086780
3084214
Unavailable
14
O RING
3083934
Unavailable
17
WASHER, GEARSHAFT Substituted by 7555908
3083737
Unavailable
18
GASKET,STARTER(NON-ASBESTOS)
3085283
Unavailable
19
BOLT, FLANGE Substituted by 3086781
3084215
Unavailable
22
SHAFT ASM,GEAR Substituted by 3087030 (Incl. 17,20-24)
3085394
Unavailable
