- Partiron
- OEM Parts
- Polaris
- ATV
- 1999
- SCRAMBLER 400 - A99BG38CB
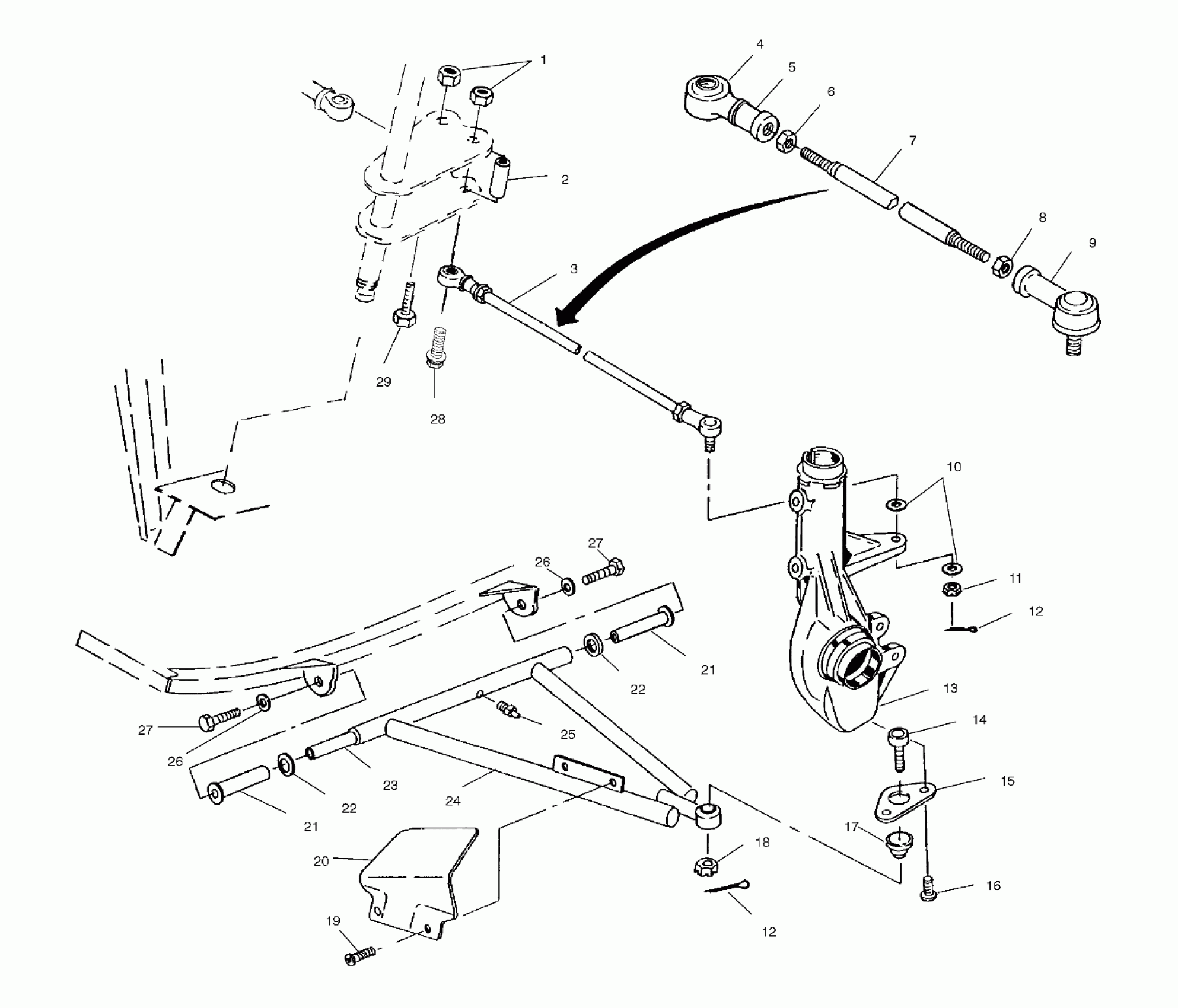
A - ARM/STRUT MOUNTING - A99BG38CB (4952505250b008)
Polaris SCRAMBLER 400 - A99BG38CB A - ARM/STRUT MOUNTING - A99BG38CB (4952505250b008) Diagram
#
Description
Price
4
SEAL,BOOT,ROD END,1/2 IN
5411291
Unavailable
13
Asm., Hubstrut (See Footnote) (See Front Strut Pg. B5, Ref. 15)
-------
Unavailable
17
Boot, Rubber
5410548
Unavailable
20
SHIELD,LH CV JOINT Substituted by 5431150-070
5431150
Unavailable
21
BUSHING,A-ARM,LONG. Substituted by 5433066
5431596
Unavailable
21
BUSHING,A-ARM,LONG. Substituted by 5433066
5431596
Unavailable
23
Shaft, A-Arm
5020681
Unavailable
24
KIT,LH,A FRAME Substituted by 2201603
2201157
Unavailable
24
KIT,RH,A FRAME Substituted by 2201604
2201158
Unavailable
