Polaris SCRAMBLER 400 - A99BG38CA MAGNETO - A99BG38CA (4949664966d008) Diagram
#
Description
Price
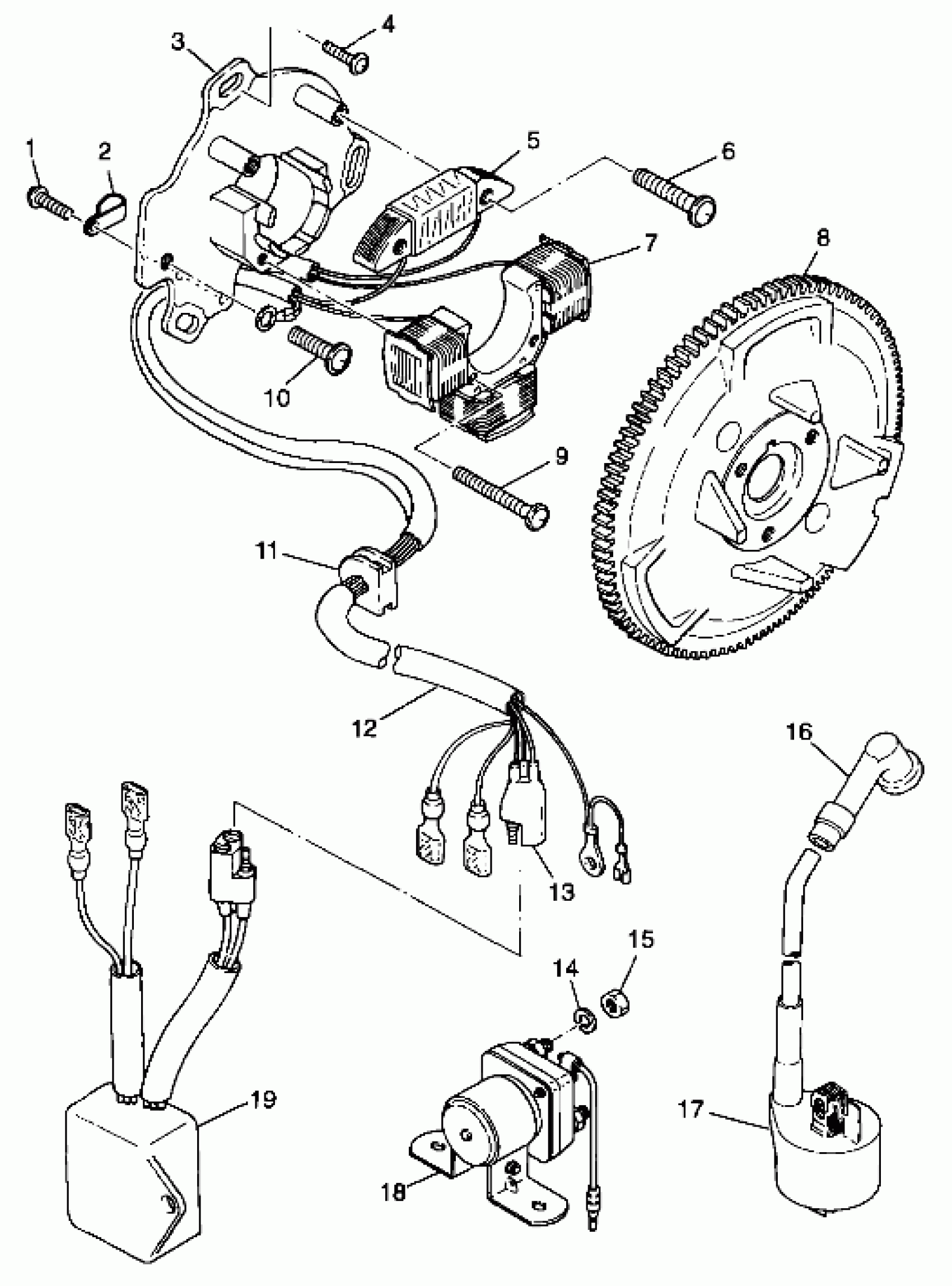
3
PLATE ASM. (Incl. 1-3,5-7,9-13)
3084785
Unavailable
4
SCREW, FLANGE (Pilot)
3084766
Unavailable
5
Coil, Exciting
3083422
Unavailable
7
STATOR #1 Substituted by 3084785
3084788
Unavailable
8
FLYHEEL,W/RING GEAR
3084784
Unavailable
17
COIL, IGNITION *
3083923
Unavailable
19
CDI System
3084790
Unavailable
