- Partiron
- OEM Parts
- Polaris
- ATV
- 1999
- SCRAMBLER 400 - A99BG38CA
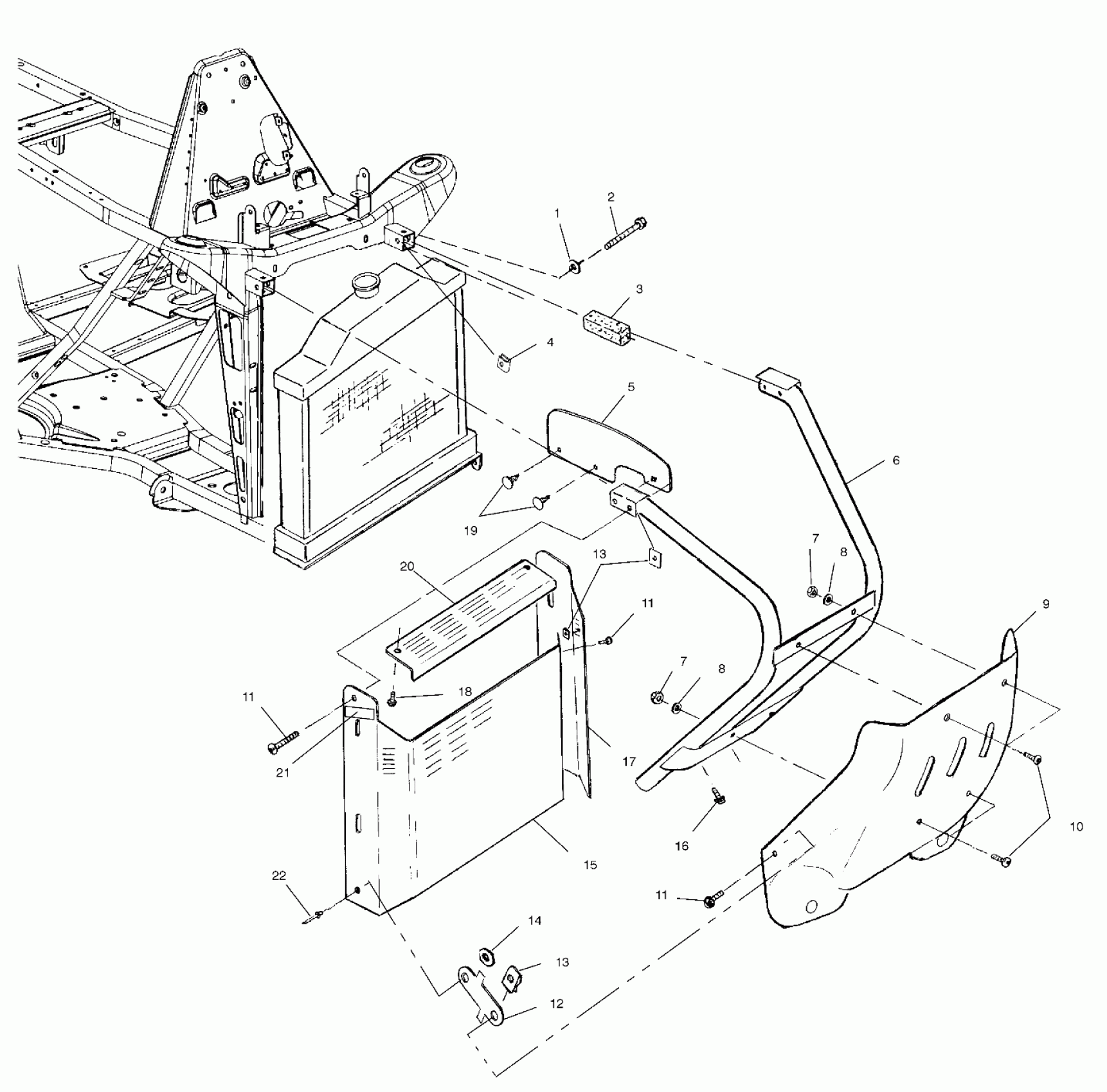
FRONT BUMPER and SHIELDS - A99BG38CA (4949664966a007)
Polaris SCRAMBLER 400 - A99BG38CA FRONT BUMPER and SHIELDS - A99BG38CA (4949664966a007) Diagram
#
Description
Price
3
PLUG, FRAME
5810467
Unavailable
6
BUMPER,FRONT,BLK
1040725-067
Unavailable
12
BRKT,RADIATOR SHIELD,BLK
5242694-067
Unavailable
15
SHIELD,RH,RAD.SIDE,BLK. Substituted by 5245343-067
5242997-067
Unavailable
17
SHIELD,LH,RAD.SIDE,BLK. Substituted by 5245342-067
5242996-067
Unavailable
18
SCREW(10)
7512252
Unavailable
20
SHIELD,UPPER RADIATOR,BLK Substituted by 5245344-067
5242683-067
Unavailable
