- Partiron
- OEM Parts
- Polaris
- ATV
- 1999
- SCRAMBLER 400 - A99BG38CA
ENGINE MOUNTING - A99BG38CA (4949664966a009)
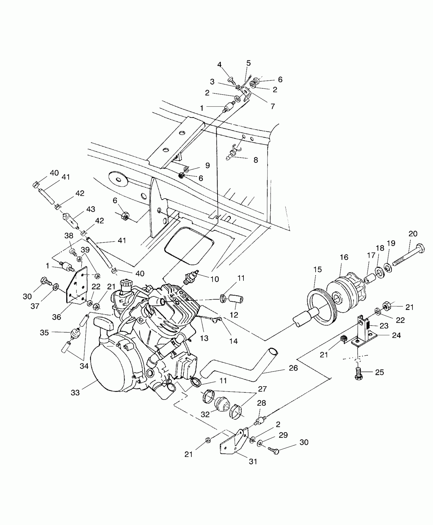
Polaris SCRAMBLER 400 - A99BG38CA ENGINE MOUNTING - A99BG38CA (4949664966a009) Diagram
#
Description
Price
1
MT.,RUBBER,ENG.
3110038
Unavailable
1
MT.,RUBBER,ENG.
3110038
Unavailable
5
CABLE,GND-ENGINE
4010132
Unavailable
7
BRKT,ENG.MT,TOP,BLK,400
5242692-067
Unavailable
8
FITTING,VENT,1/8"
7052192
Unavailable
13
CABLE,SOL/START,DBLBOOT
4010129
Unavailable
15
Seal, Cover Case (See Footnote) (See Clutch Cover Pg. C6, Ref. 3)
-------
Unavailable
16
Asm., Drive Clutch, Basic ATV-06 (See Footnote) (See Drive Clutch Pg. B13, Ref. 14)
-------
Unavailable
23
EDGE TRIM-BLACK,04 CM
8360012-04
Unavailable
26
HOSE,FORMED,3/4IDX21.75 Substituted by 5411637
5411556
Unavailable
28
MOUNT,RUBBER,ENG.
3110042
Unavailable
31
MOUNT,ENGINE
1040231-067
Unavailable
32
BOOT,CLUTCH INLET,2.4X2.1X5.2
5411681
Unavailable
33
ENG.EC38PLE08,09,11 [No Longer Available] (See Footnote) NOTE: The Short Block assembly contains a crankcase assembly, cylinder and cylinder head assembly, and a piston & crankshaft assembly. Prior
3085821
Unavailable
34
FUEL LINE,1/8 ID,600 CM.
8360009-600
Unavailable
35
VENT,CHECKVALVE
7051011
Unavailable
37
WASHER SPRINGLOCK(10) Substituted by 7552603
7553001
Unavailable
41
FUEL LINE,1/4 ID(600 CM.)
8450040-600
Unavailable
41
FUEL LINE,1/4 ID(600 CM.)
8450040-600
Unavailable
