- Partiron
- OEM Parts
- Polaris
- ATV
- 2000
- SCRAMBLER 400 - A00BG38CA
A - ARM/STRUT MOUNTING - A00BG38CA (4954845484B009)
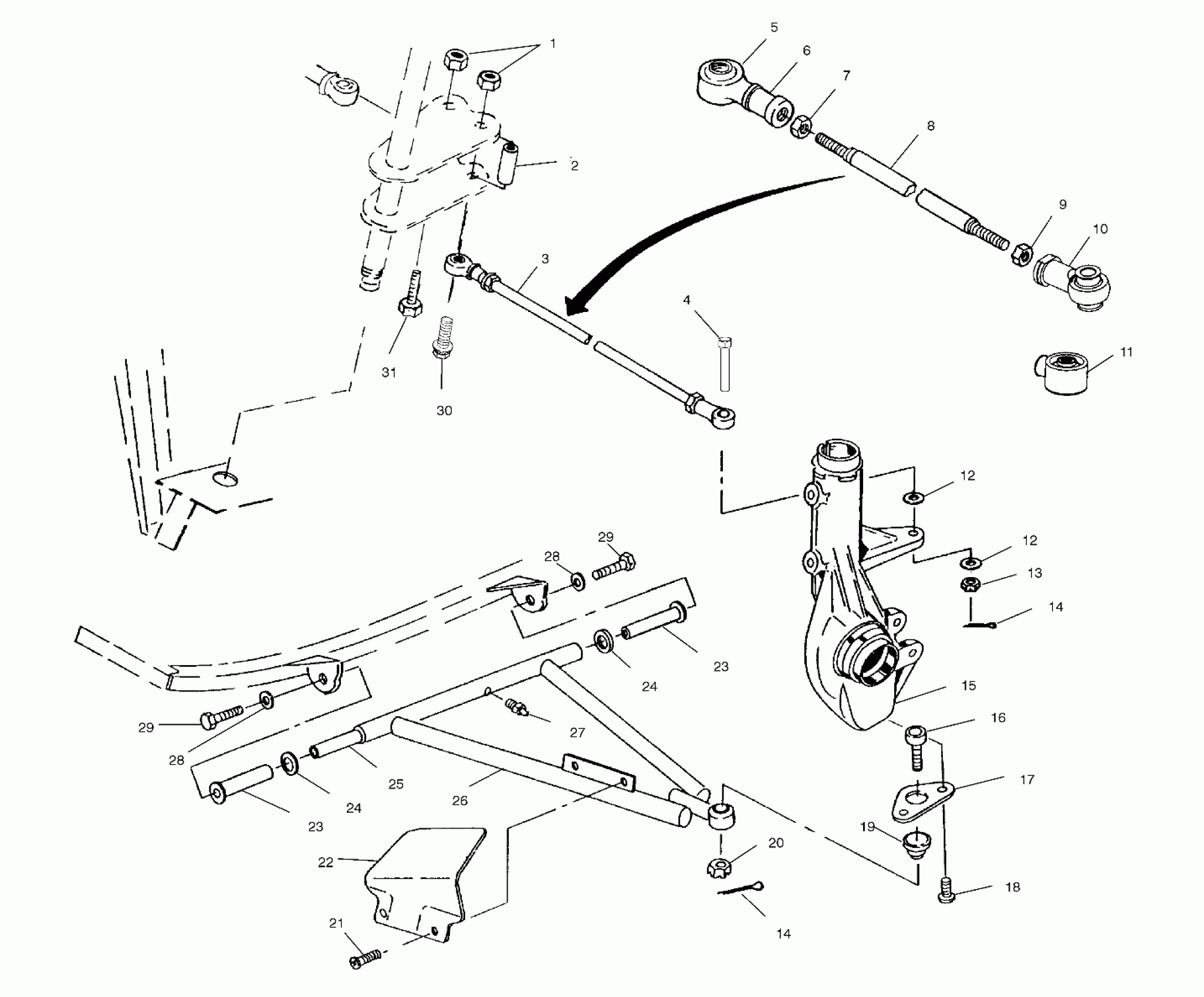
Polaris SCRAMBLER 400 - A00BG38CA A - ARM/STRUT MOUNTING - A00BG38CA (4954845484B009) Diagram
#
Description
Price
3
TIE,ROD,1/2-20X13.4,ASM. (Incl. 5-10)
1820805
Unavailable
4
BOLT-M10X1.25X57 HX WASH HD Substituted by 7517909
7517674
Unavailable
5
SEAL,BOOT,ROD END,1/2 IN
5411291
Unavailable
10
ROD,END,10MM,1/2-20LH,42 DEG
7061054
Unavailable
11
BOOT,SEAL,ROD END,10MM
5411920
Unavailable
15
Asm., Hubstrut (See Front Strut Pg. B6, Ref. 16)
-------
Unavailable
19
Boot, Rubber
5410548
Unavailable
22
SHIELD,LH CV JOINT Substituted by 5431150-070
5431150
Unavailable
23
BUSHING,A-ARM,LONG. Substituted by 5433066
5431596
Unavailable
23
BUSHING,A-ARM,LONG. Substituted by 5433066
5431596
Unavailable
25
Shaft, A-Arm
5020681
Unavailable
26
A-FRAME,KIT,LH (1541450)
2201611
Unavailable
26
A-FRAME,KIT,RH (1541451)
2201612
Unavailable
