- Partiron
- OEM Parts
- Polaris
- ATV
- 2002
- SCRAMBLER 400 4X4 - A02BG38CA
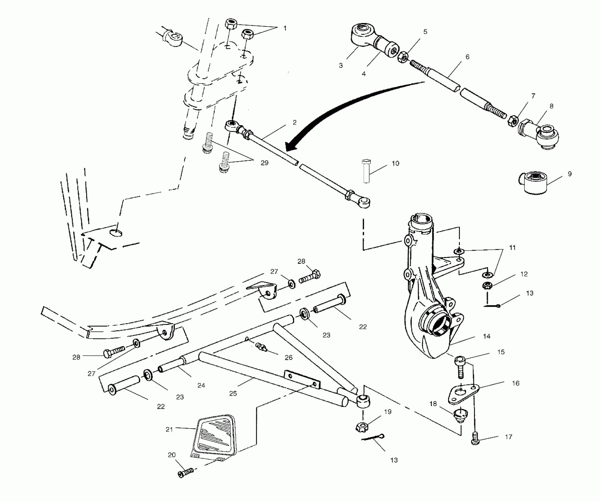
A-ARM/STRUT MOUNTING - A02BG38CA (4974677467B09)
Polaris SCRAMBLER 400 4X4 - A02BG38CA A-ARM/STRUT MOUNTING - A02BG38CA (4974677467B09) Diagram
#
Description
Price
2
Asm., Tie Rod [Incl. 3-8]
1820805
Unavailable
3
Boot, Seal, Rod End
5411291
Unavailable
8
Rod End, LH
7061054
Unavailable
9
Boot, Seal, Rod End
5411920
Unavailable
14
ASM., HUBSTRUT [See Front Strut Pg. B10, Ref. 16]
-------
Unavailable
18
Boot, Rubber
5410548
Unavailable
21
Shield, CV Joint, LH
5431150-070
Unavailable
24
Shaft, A-Arm
5020681
Unavailable
25
Kit, A-Frame, LH
2201611
Unavailable
25
Kit, A-Frame, RH
2201612
Unavailable
