- Partiron
- OEM Parts
- Polaris
- ATV
- 2002
- SCRAMBLER 400 2X4 - A02BA38CA
ENGINE MOUNTING - A02BA38CA (4969936993A09)
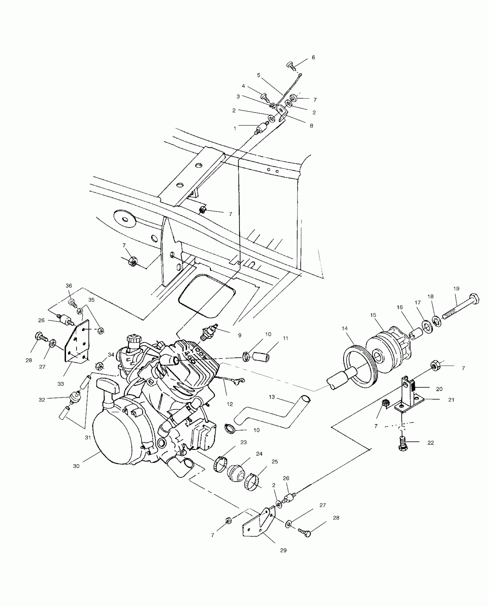
Polaris SCRAMBLER 400 2X4 - A02BA38CA ENGINE MOUNTING - A02BA38CA (4969936993A09) Diagram
#
Description
Price
1
Mount, Motor
3110038
Unavailable
5
Cable, Ground, Engine
4010132
Unavailable
8
Bracket, Mount, Engine, Top
5242692-067
Unavailable
11
HOSE, ENGINE, UPPER [SEE COOLING SYSTEM PG. A7, REF. 10]
-------
Unavailable
13
HOSE, ENGINE, LOWER [See Cooling System Pg. A7, Ref. 24]
-------
Unavailable
14
SEAL, CASE COVER [See Clutch Cover Pg. C1, Ref. 29]
-------
Unavailable
15
ASM., DRIVE CLUTCH, BASIC ATV-06 [See Drive Clutch Pg. B8, Ref. 14]
-------
Unavailable
20
Trim, Edge
8360012-04
Unavailable
24
Boot, Clutch Inlet
5411681
Unavailable
25
Clamp, Band, Narrow
7080656
Unavailable
26
Mount, Rubber
3110042
Unavailable
26
Mount, Rubber
3110042
Unavailable
29
Mount, Engine, Front
1040231-067
Unavailable
30
Engine, Short Block [EC38PLE09] NOTE: The Short Block assembly contains a crankcase assembly, cylinder and cylinder head assembly, and a piston & crankshaft assembly. Prior authorization required fo
3085821
Unavailable
31
LINE, FUEL
8360009-600
Unavailable
32
VALVE, CHECK, VENT
7051011
Unavailable
