- Partiron
- OEM Parts
- Polaris
- ATV
- 2001
- SCRAMBLER 400 2X4 - A01BA38CA
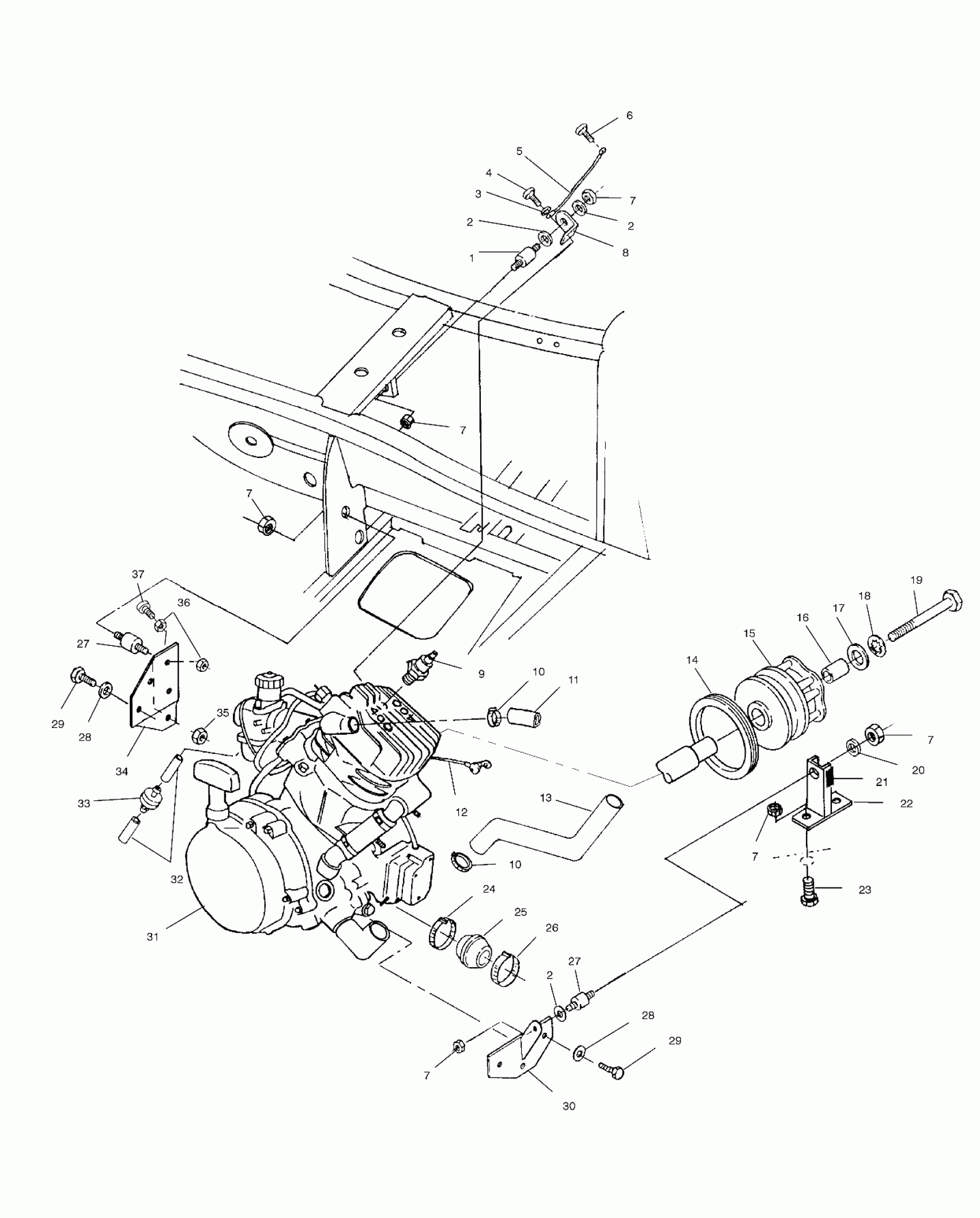
ENGINE MOUNTING - A01BA38CA (4968366836A009)
Polaris SCRAMBLER 400 2X4 - A01BA38CA ENGINE MOUNTING - A01BA38CA (4968366836A009) Diagram
#
Description
Price
1
MT.,RUBBER,ENG.
3110038
Unavailable
5
CABLE,GND-ENGINE
4010132
Unavailable
8
BRKT,ENG.MT,TOP,BLK,400
5242692-067
Unavailable
11
Hose, Engine, Upper (See Cooling System Pg. A7, Ref. 10)
-------
Unavailable
13
Hose, Engine, Lower (See Cooling System Pg. A7, Ref. 23)
-------
Unavailable
14
Seal, Case, Cover (See Clutch Cover Pg. C1, Ref. 29)
-------
Unavailable
15
Asm., Drive Clutch, Basic ATV-06 (See Drive Clutch Pg. B8, Ref. 14)
-------
Unavailable
21
EDGE TRIM-BLACK,04 CM
8360012-04
Unavailable
26
CLAMP,BAND,NARROW
7080656
Unavailable
27
MOUNT,RUBBER,ENG.
3110042
Unavailable
27
MOUNT,RUBBER,ENG.
3110042
Unavailable
30
MOUNT,ENGINE
1040231-067
Unavailable
31
ENG.EC38PLE08,09,11 [No Longer Available] (EC38PLE09) NOTE: The Short Block assembly contains a crankcase assembly, cylinder and cylinder head assembly, and a piston & crankshaft assembly. Prior aut
3085821
Unavailable
32
FUEL LINE,1/8 ID,600 CM.
8360009-600
Unavailable
33
VENT,CHECKVALVE
7051011
Unavailable
