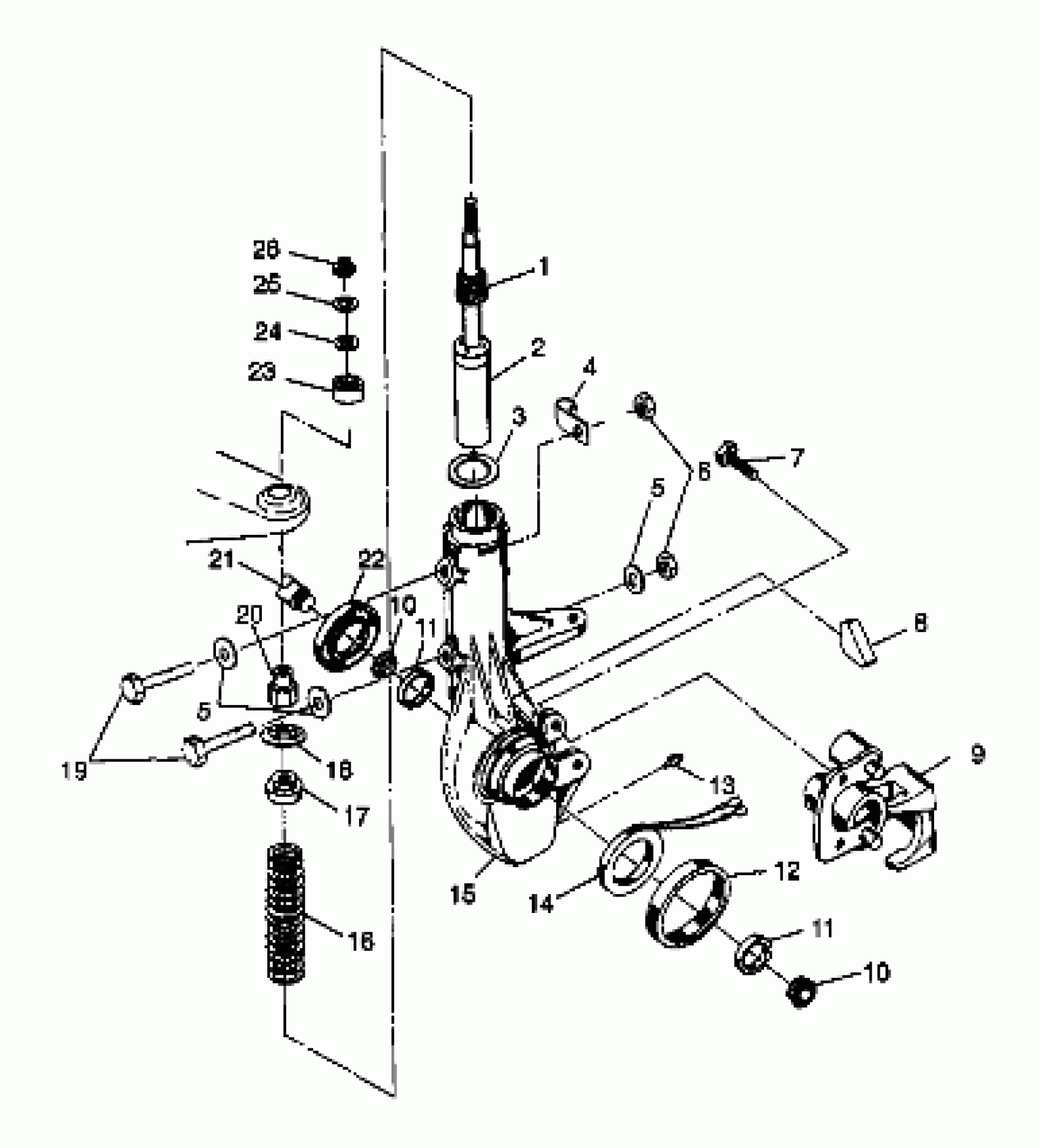
Polaris SCRAMBER 500 - W98BC50A FRONT STRUT - W98BC50A (4944994499b005) Diagram
#
Description
Price
1
BUMPER,STRUT
5411468
Unavailable
7
SCREW
7517445
Unavailable
8
RETAINER,WIRE,STRUT CAST
5810439
Unavailable
9
Asm., Front Brake Caliper, RH (See Footnote) (See Front Brake Pg. B7 for Details)
-------
Unavailable
15
HUBSTRUT ASM,RH,HVY Substituted by 2201312 (Incl. 8,12-15)
2200767
Unavailable
15
HUBSTRUT ASM,LH,HVY Substituted by 2201311 (Incl. 8,12-15)
2200766
Unavailable
16
SPRING,COIL(STRUT),LT.
7041603-067
Unavailable
17
RETAINER,SPRING,TOP
5220602
Unavailable
18
PIVOT BALL,BOTTOM Substituted by 5432871
5430807
Unavailable
21
Kit - Drive Shaft w/Sleeve (See Footnote) (See CV Joint - BTB Pg. B4, Ref. 13)
-------
Unavailable
23
PIVOT BALL, TOP Substituted by 5432872
5430806
Unavailable
