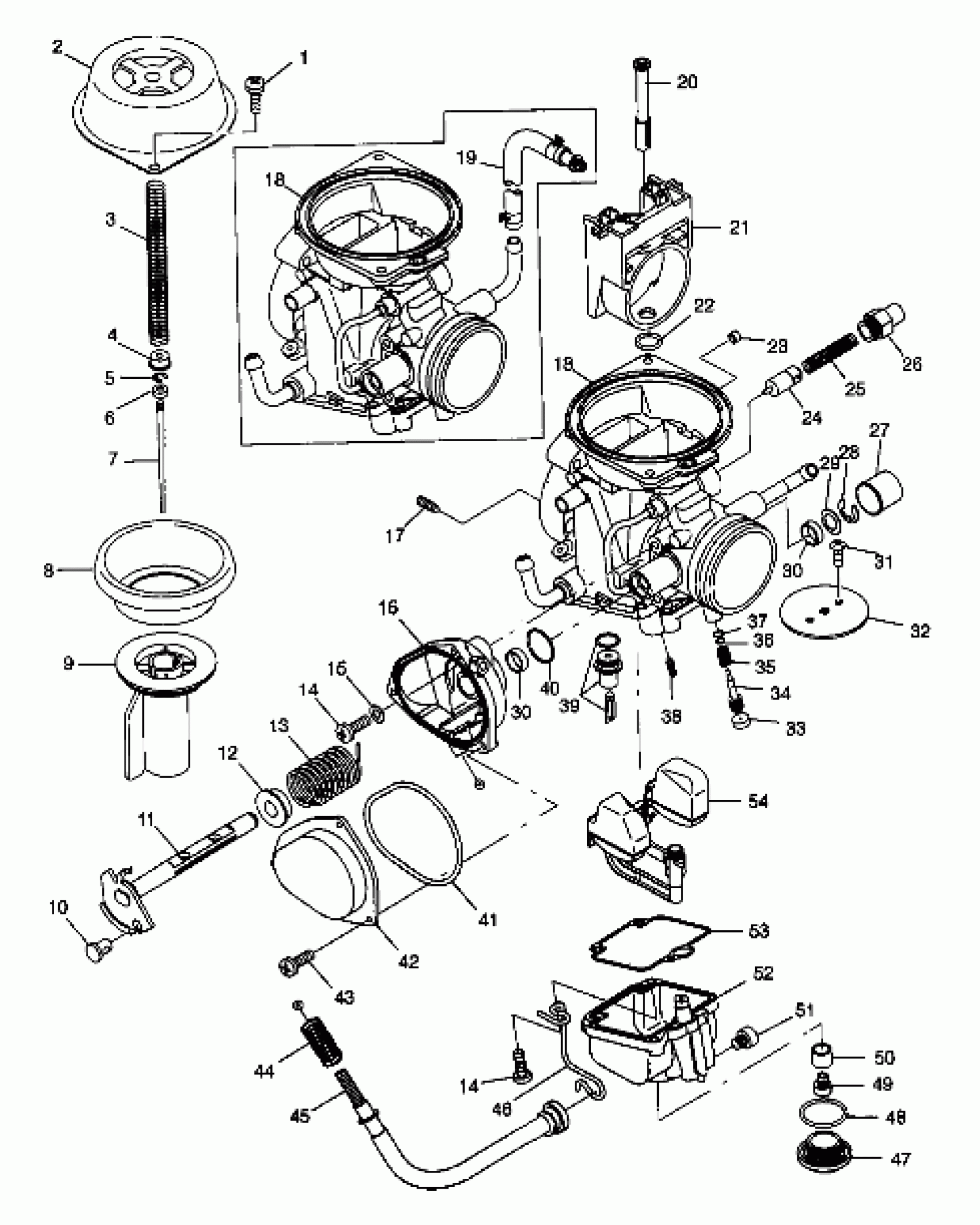
Polaris SCRAMBER 500 - W98BC50A CARBURETOR - W98BC50A (4944994499d007) Diagram
#
Description
Price
18
CARBURETOR Substituted by 3130903 (Incl. 1-54) (See Footnote) NOTE: Check Model Number. If Mark is "50L04B" order PN 3130903. If Mark is "50L04A" order PN 3130945.
3130945
$505.78
18
CARBURETOR Substituted by 3130903 (Incl. 1-54) (See Footnote) NOTE: Check Model Number. If Mark is "50L04B" order PN 3130903. If Mark is "50L04A" order PN 3130945.
3130945
$505.78
19
DESC NOT_AVAILABLE
3130939
Unavailable
20
NEEDLE JET
3130920
Unavailable
23
CAP Substituted by 3130519
3130936
Unavailable
29
PACKING
-------
Unavailable
31
Screw
3130906
Unavailable
39
VALVE,NEEDLE (1.5)
3130922
Unavailable
45
CABLE ADJUSTER ASSM. Substituted by 3131295
3130938
Unavailable
46
CLIP Substituted by 3131242
3130937
Unavailable
48
O RING
3130239
Unavailable
50
RING
3130919
Unavailable
