- Partiron
- OEM Parts
- Polaris
- ATV
- 1997
- SCRAMBER 400L - W97BC38C
MAGNETO Scrambler 400L W97BC38C (4939893989D007)
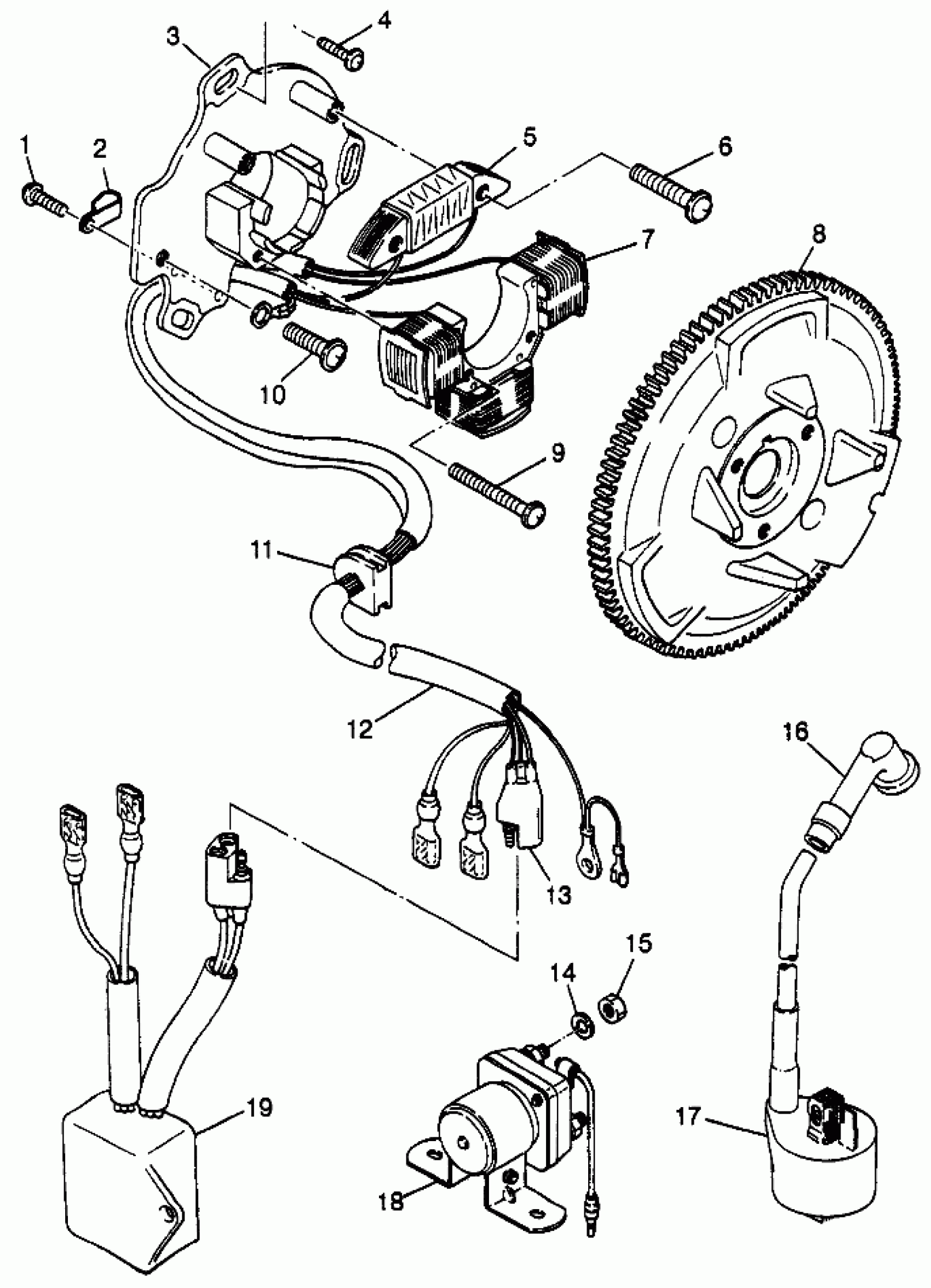
Polaris SCRAMBER 400L - W97BC38C MAGNETO Scrambler 400L W97BC38C (4939893989D007) Diagram
#
Description
Price
3
PLATE ASM. (Incl. 1-3, 5-7, 9-13)
3084785
Unavailable
4
SCREW, FLANGE (Pilot)
3084766
Unavailable
5
Coil, Exciting
3083422
Unavailable
7
STATOR #1 Substituted by 3084785
3084788
Unavailable
8
FLYHEEL,W/RING GEAR
3084784
Unavailable
17
COIL, IGNITION *
3083923
Unavailable
19
CDI System
3084790
Unavailable
