- Partiron
- OEM Parts
- Polaris
- Motorcycle
- INDIAN
- 2015
- SCOUT - N15MSA00AA/AB/AC/AE
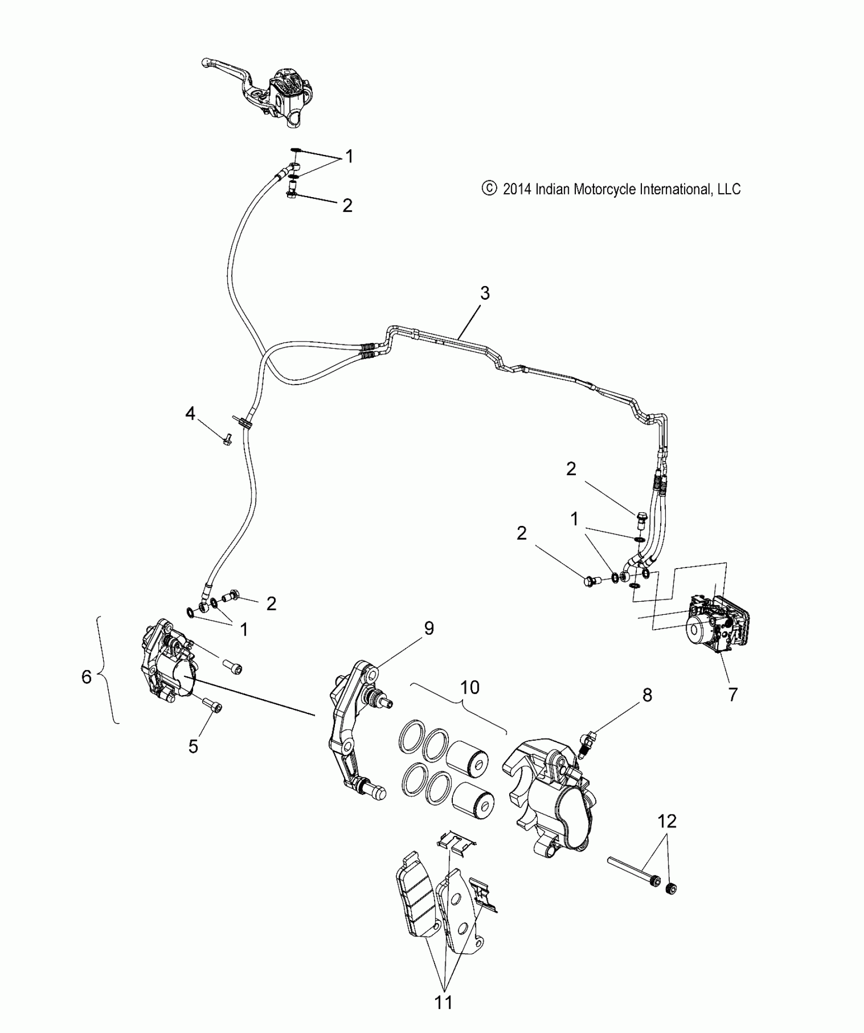
BRAKES, FRONT ASM., ABS (INTL MODELS ONLY) - N15MSA00AA/AB/AC/AE (49INDIANBRAKEFRTSCOUT15)
Polaris SCOUT - N15MSA00AA/AB/AC/AE BRAKES, FRONT ASM., ABS (INTL MODELS ONLY) - N15MSA00AA/AB/AC/AE (49INDIANBRAKEFRTSCOUT15) Diagram
#
Description
Price
3
HOSE, BRAKE, ABS, FRONT [INTL]
1912267
Unavailable
5
SCREW
7520057
Unavailable
6
ASM., CALIPER, FRONT, ABS, BLACK [INCL. 8-12]
1911935-266
Unavailable
7
MODULE, ABS, SVC, CRUISER
2205610
Unavailable
8
KIT, BLEEDER SET
2205851
Unavailable
9
KIT, BRACKET, FRCAL
2205865
Unavailable
10
KIT, PISTON AND SEALS, FRCAL
2205853
Unavailable
11
KIT, BRAKE PADS [INCL. CLIPS]
2205849
Unavailable
12
KIT, SPRING AND PIN, FRCAL
2205850
Unavailable
