- Partiron
- OEM Parts
- Polaris
- Motorcycle
- INDIAN
- 2022
- SCOUT BOBBER/BOBBER TWENTY ALL OPTIONS (R02) - N22MTA0011/6/A/D/H/U/A1/5/6/A/C/D/G/U/B1/5/6/A/C/D/G/U/C1/5/6/A/C/D/G/U/E1/5/6/A/C/D/G/H/U/P1/6/A/D/
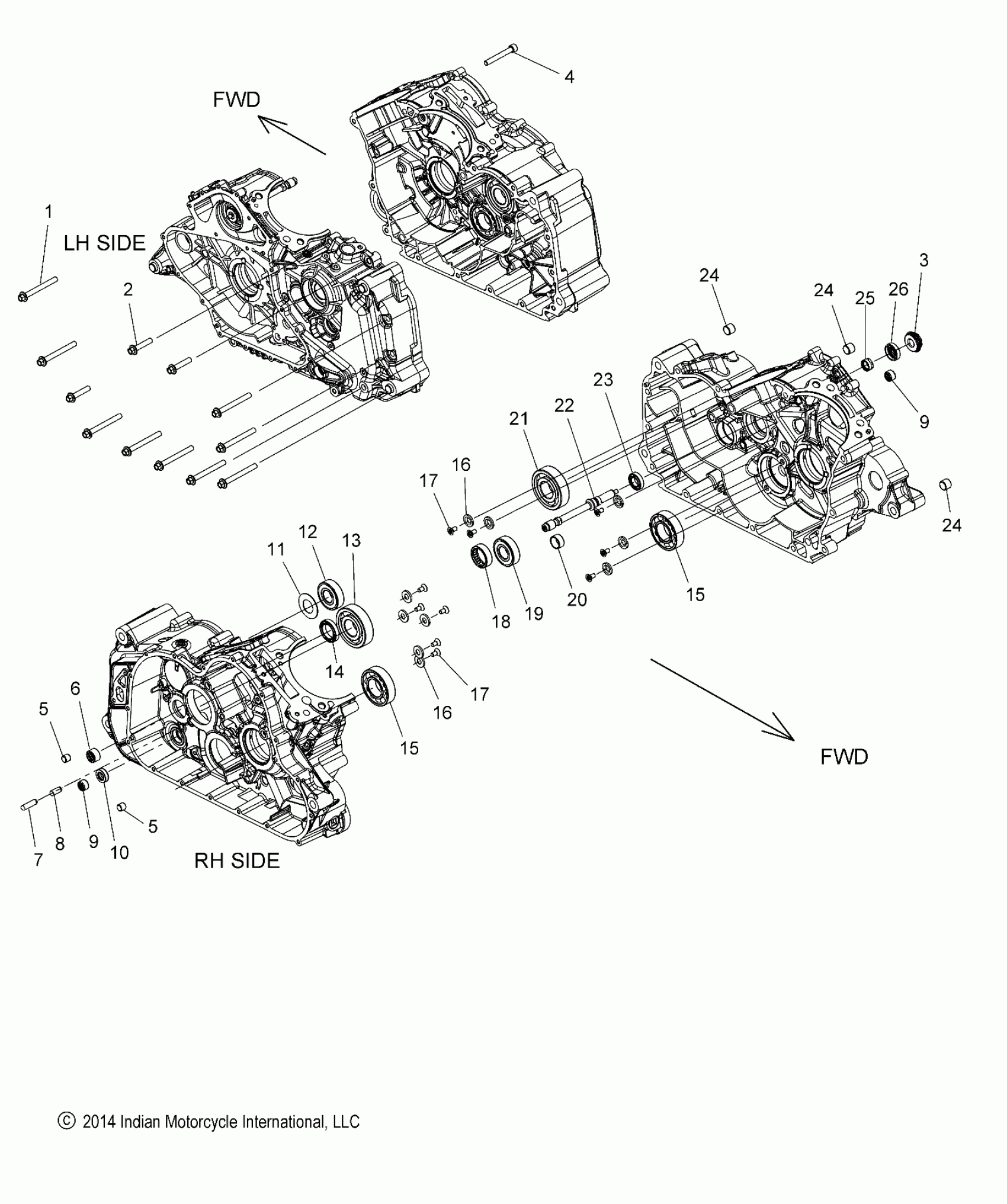
ENGINE, CRANKCASE ASM. - N22MTA00/MTB00/MTG00/MTH00 ALL OPTIONS (49INDIANCRANKCASE15SCOUT)
Polaris SCOUT BOBBER/BOBBER TWENTY ALL OPTIONS (R02) - N22MTA0011/6/A/D/H/U/A1/5/6/A/C/D/G/U/B1/5/6/A/C/D/G/U/C1/5/6/A/C/D/G/U/E1/5/6/A/C/D/G/H/U/P1/6/A/D/ ENGINE, CRANKCASE ASM. - N22MTA00/MTB00/MTG00/MTH00 ALL OPTIONS (49INDIANCRANKCASE15SCOUT) Diagram
#
Description
Price
-
ASM-CRANKCASE,COMPLETE,CB BLK [INCL. 1-26]
1206263-657
Unavailable
1
SCR-HXFL-M8X1.25X75,10.9,ZPC
7519948
Unavailable
2
SCR-HXFL-M8X1.25X40,10.9,ZPC
7519947
Unavailable
3
SEAL-WATERPUMP SHAFT,WATER
3610173
Unavailable
4
SCR-SH-M8X1.25X60 10.9 ZPC
7520093
Unavailable
6
BEARING-NDL,14X20X12
3515832
Unavailable
7
PIN, SOLID, M8x36
7662360
Unavailable
8
PIN, SOLID, M8x24
7662359
Unavailable
9
BEARING,NDL,M12X16X10,CLTSHF
3552105
Unavailable
9
BEARING,NDL,M12X16X10,CLTSHF
3552105
Unavailable
10
SEAL, SHAFT
3610154
Unavailable
11
PLATE, OIL DEFLECTOR
5259394
Unavailable
12
BEARING-6204RSH2,C3,20X47X14
3514860
Unavailable
13
BRG-BALL,63/28ZZ,C0,28X68X18
3514884
Unavailable
14
BEARING, BALL
3513511
Unavailable
15
BRG-BALL,6206ZZ,C3,30X62X16
3515835
Unavailable
15
BRG-BALL,6206ZZ,C3,30X62X16
3515835
Unavailable
16
PLATE, BEARING RETAINER
5138188
Unavailable
16
PLATE, BEARING RETAINER
5138188
Unavailable
18
BRG-NDL,30X37X12-30BTM3712
3515834
Unavailable
19
BRG-BALL,6204,C3,ZZ,20X47X14
3515833
Unavailable
20
BEARING, CAM IDLER
3514820
Unavailable
21
BEARING-BALL,6306,C3,30X72X19
3515836
Unavailable
22
SHAFT, WATER PUMP
5138723
Unavailable
23
BEARING-6802,C3,15X24X5
3514878
Unavailable
25
NUT, SPECIAL
7547688
Unavailable
26
SEAL, SHAFT
3610228
Unavailable
