- Partiron
- OEM Parts
- Yamaha
- motorcycle
- 1973
- SC500 (SC500) 1973
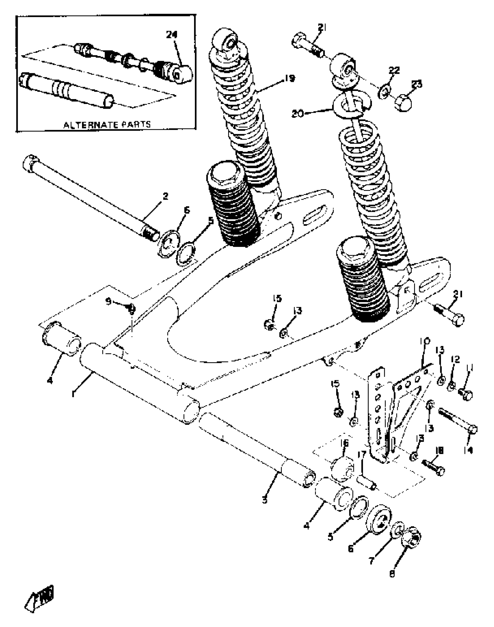
REAR ARM - REAR CUSHION
Yamaha SC500 (SC500) 1973 REAR ARM - REAR CUSHION Diagram
#
Description
Price
1
REAR ARM
(322-22110-00-33)
Unavailable
2
SHAFT, PIVOT
275-22141-00-00
Unavailable
3
COLLAR (322-22124-00)
90387-16398-00
Unavailable
8
NUT, SPEC''L SHAPE (363-22143-00)
90179-14163-00
Unavailable
10
GUARD, CHAIN
322-22153-00-33
Unavailable
12
WASHER, SPRING
92995-06100-00
Unavailable
16
TENSIONER
322-22178-00-00
Unavailable
17
SPACER (322-22137-00)
90560-06003-00
Unavailable
18
BOLT (682)
97095-06040-00
Unavailable
19
SHK/ABS ASSEMBLY, REAR
(363-22210-75-00)
Unavailable
20
SEAT, SPRING UPPER
(322-22213-20-00)
Unavailable
21
BOLT ROUND 214222410000
90106-10025-00
Unavailable
22
YBS67-10 WASHER, SPRING
92990-10100-00
Unavailable
23
NUT, CROWN (650)
95380-10800-00
Unavailable
24
DAMPER UNIT ASSEMBLY
(363-22250-09-00)
Unavailable
24
DAMPER UNIT ASSEMBLY
(363-22250-79-00)
Unavailable
