- Partiron
- OEM Parts
- Polaris
- Side-by-Side
- RZR
- 2017
- RZR XP TURBO (R07) - Z17VDE92AK/AM/LK/AB
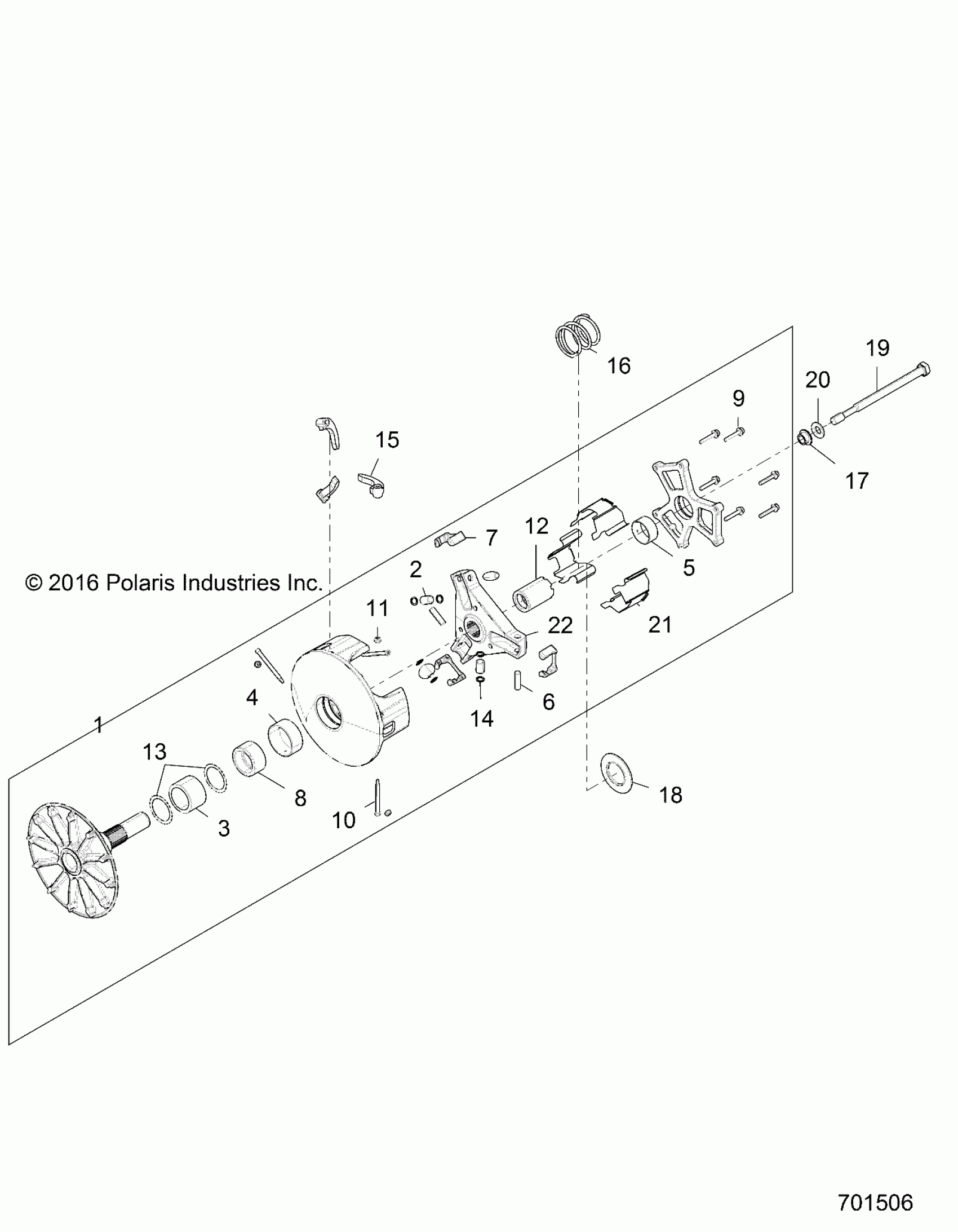
DRIVE TRAIN, PRIMARY CLUTCH - Z17VDE92AK/AM/LK/AB (701506)
Polaris RZR XP TURBO (R07) - Z17VDE92AK/AM/LK/AB DRIVE TRAIN, PRIMARY CLUTCH - Z17VDE92AK/AM/LK/AB (701506) Diagram
#
Description
Price
1
ASM-DRIVE CLUTCH,BASIC [INCL 2-14,21]
1323453
Unavailable
5
BUSHING-COVER,HD
3514892
Unavailable
22
ASM-SPIDER,HD,FORGED [INCL. 2,6,14]
1323454
Unavailable
