- Partiron
- OEM Parts
- Polaris
- Side-by-Side
- RZR
- 2015
- RZR XP 4 1000 - Z15VFE99AT/AV/AP
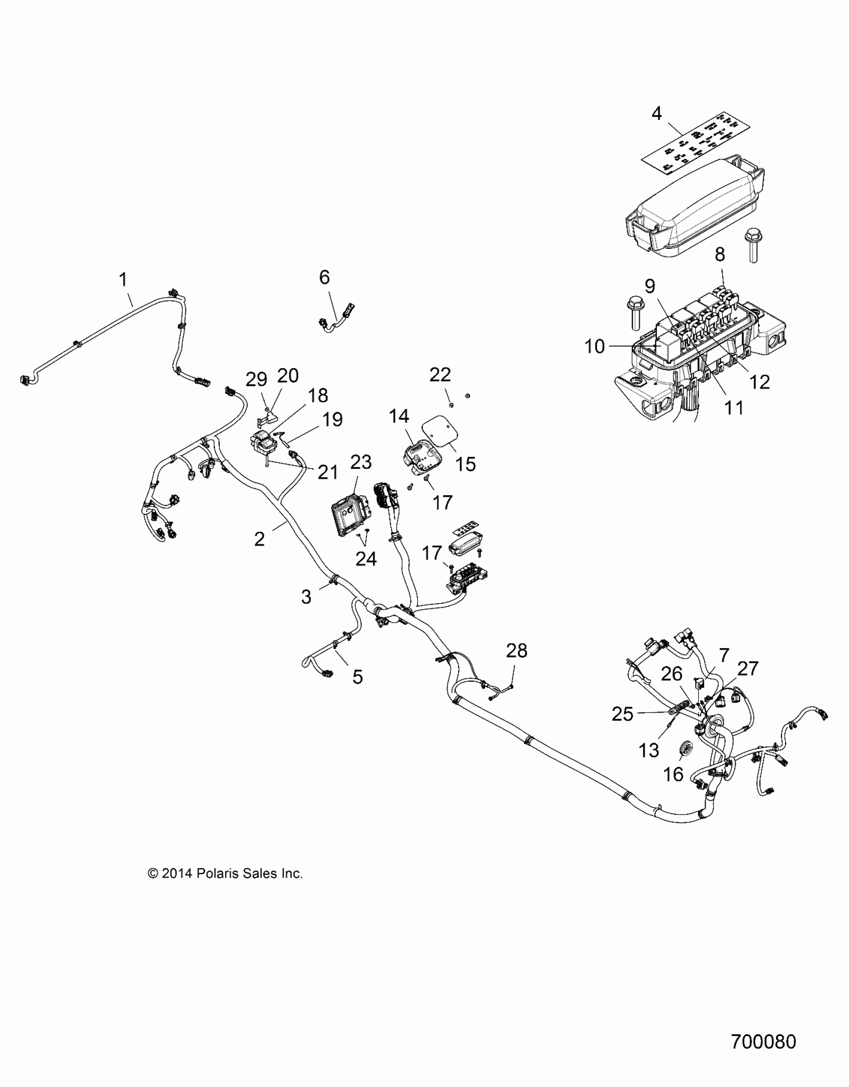
ELECTRICAL, WIRE HARNESS - Z15VFE99AT/AV/AP (700080)
Polaris RZR XP 4 1000 - Z15VFE99AT/AV/AP ELECTRICAL, WIRE HARNESS - Z15VFE99AT/AV/AP (700080) Diagram
#
Description
Price
2
HARNESS, CHASSIS [INCL. 3-5,7-13]
2412850
Unavailable
4
LABEL, FUSE BOX
7180894
Unavailable
8
FUSE-MINI BLADE,15 AMP
2410280
Unavailable
10
RELAY-SPST,SERIES 303,SEALED
4011283
Unavailable
11
FUSE-PARK,20 AMP
2434017
Unavailable
13
LED, PANEL MOUNT
2412443
Unavailable
14
REGULATOR-3PH,50A,SERIES,HISPD
4014856
Unavailable
15
PLATE, HEAT SINK, REGULATOR
5254970
Unavailable
18
COIL-EFI
4010425
Unavailable
