- Partiron
- OEM Parts
- Polaris
- Side-by-Side
- RZR
- 2017
- RZR XP 4 1000 (R15) - Z17VFE99AM/AW/LW/AP/M99AB
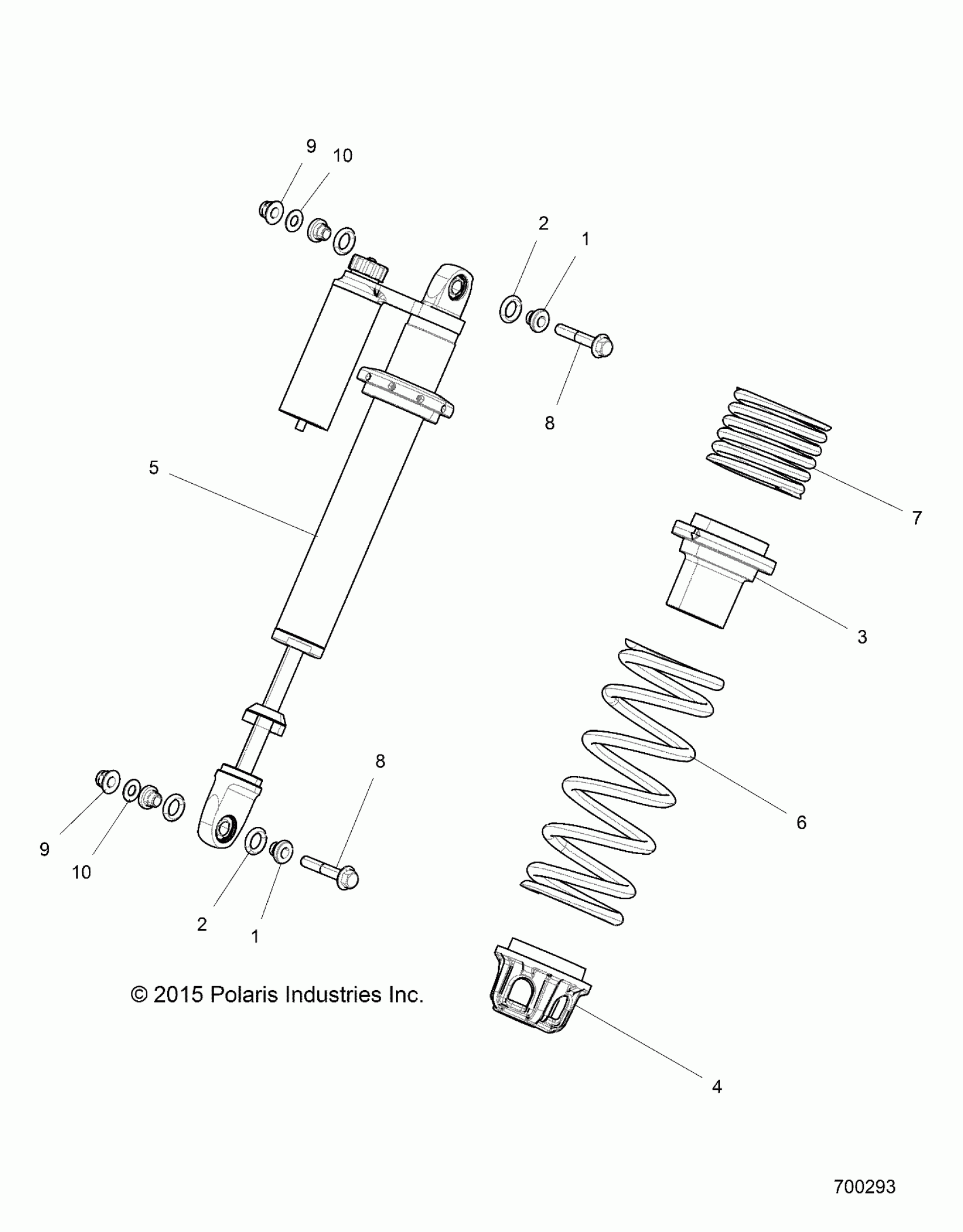
SUSPENSION, FRONT SHOCK MOUNTING - Z17VFE99AM/AW/LW/AP/M99AB (700293)
Polaris RZR XP 4 1000 (R15) - Z17VFE99AM/AW/LW/AP/M99AB SUSPENSION, FRONT SHOCK MOUNTING - Z17VFE99AM/AW/LW/AP/M99AB (700293) Diagram
#
Description
Price
5
SHOCK-FRT,RZRXP4,HC,PIGGYBK,LH [AB]
7044642
Unavailable
5
SHOCK-FRT,RZRXP4,HC,PIGGYBK,RH [AB]
7044643
Unavailable
6
SPR-325,13.25FL,3.04-3.04 ID,W [AB]
7044600-133
Unavailable
