- Partiron
- OEM Parts
- Polaris
- Side-by-Side
- RZR
- 2014
- RZR XP 4 1000/PS - Z146T1EAM/EAW
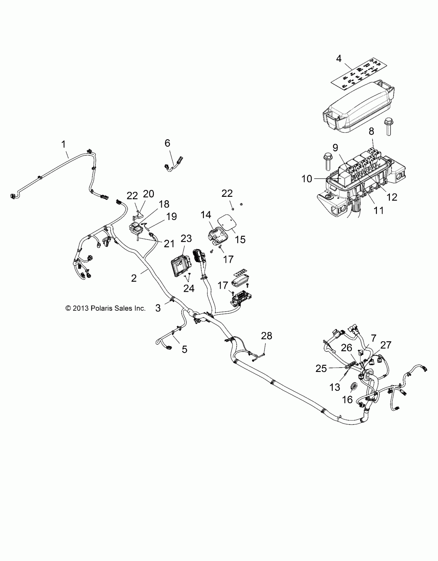
ELECTRICAL, WIRE HARNESS - Z146T1EAM/EAW (49RGRHARNESS1410004)
Polaris RZR XP 4 1000/PS - Z146T1EAM/EAW ELECTRICAL, WIRE HARNESS - Z146T1EAM/EAW (49RGRHARNESS1410004) Diagram
#
Description
Price
2
HARNESS, CHASSIS [INCL. 3-5,7-13]
2412898
Unavailable
4
LABEL, FUSE BOX
7179353
Unavailable
8
FUSE-5A,MINI BLADE
4011652
Unavailable
10
RELAY-SPST,SERIES 303,SEALED
4011283
Unavailable
11
FUSE-PARK,20 AMP
2434017
Unavailable
13
LED, PANEL MOUNT
2412443
Unavailable
14
REGULATOR-3PH,50A,SERIES,HISPD
4014856
Unavailable
15
PLATE, HEAT SINK, REGULATOR
5254970
Unavailable
18
COIL-EFI
4010425
Unavailable
