- Partiron
- OEM Parts
- Polaris
- Side-by-Side
- RZR
- 2017
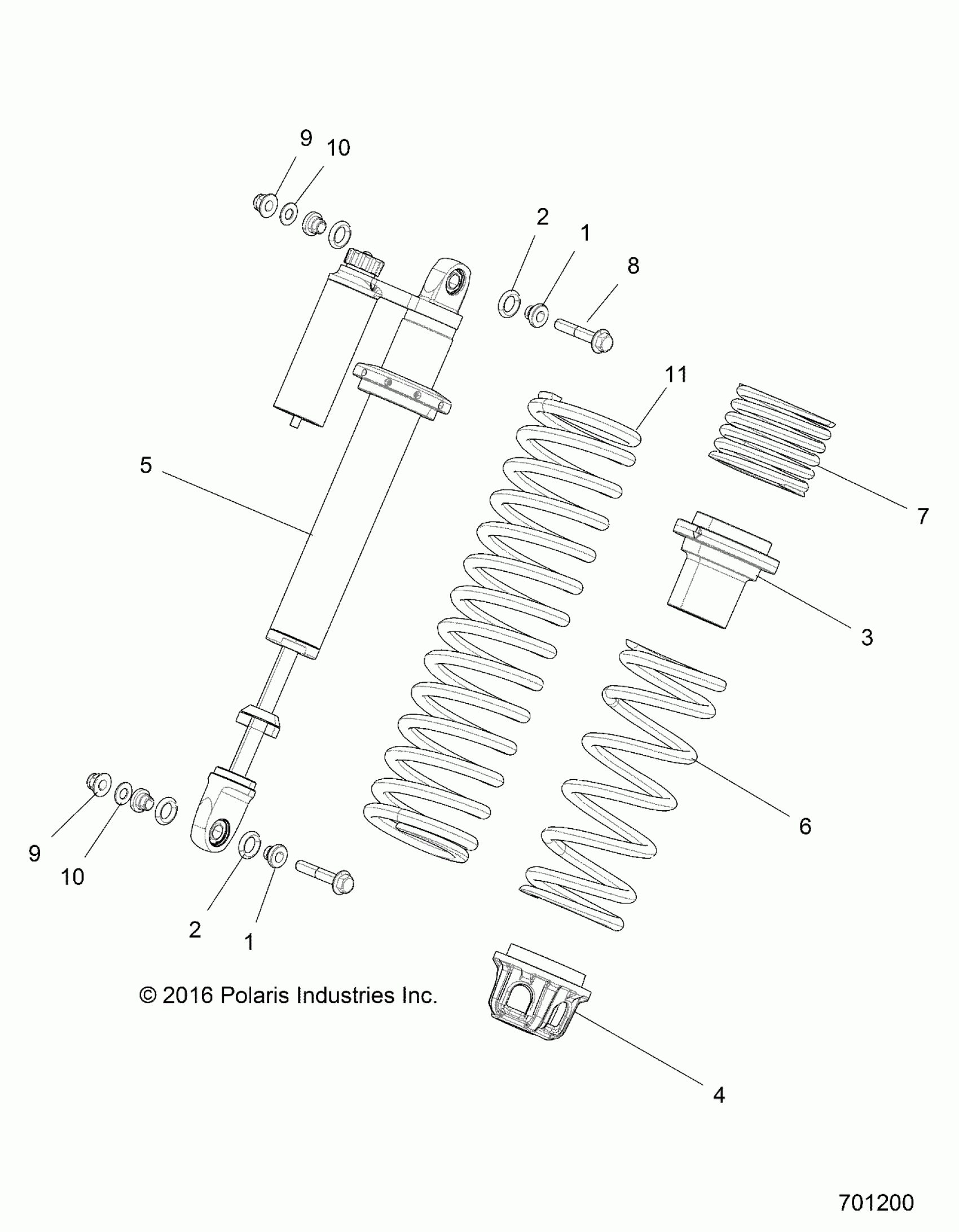
- RZR XP 1000 (R17) - Z17VDE99AM/AP/AW/LW/K99AK/M99AB/R99AZ
SUSPENSION, FRONT SHOCK MOUNTING - Z17VD_99AB/AK/AM/AW/LW/AZ/AP (701200)
Polaris RZR XP 1000 (R17) - Z17VDE99AM/AP/AW/LW/K99AK/M99AB/R99AZ SUSPENSION, FRONT SHOCK MOUNTING - Z17VD_99AB/AK/AM/AW/LW/AZ/AP (701200) Diagram
#
Description
Price
5
SHOCK-FRONT,RZRXP,LH [AZ]
7044608
Unavailable
5
SHOCK-FRONT,RZRXP,RH [AZ]
7044609
Unavailable
11
S-130-240#,17.45FL,3.04ID,SLV [AZ]
7044640-385
Unavailable
