Partiron

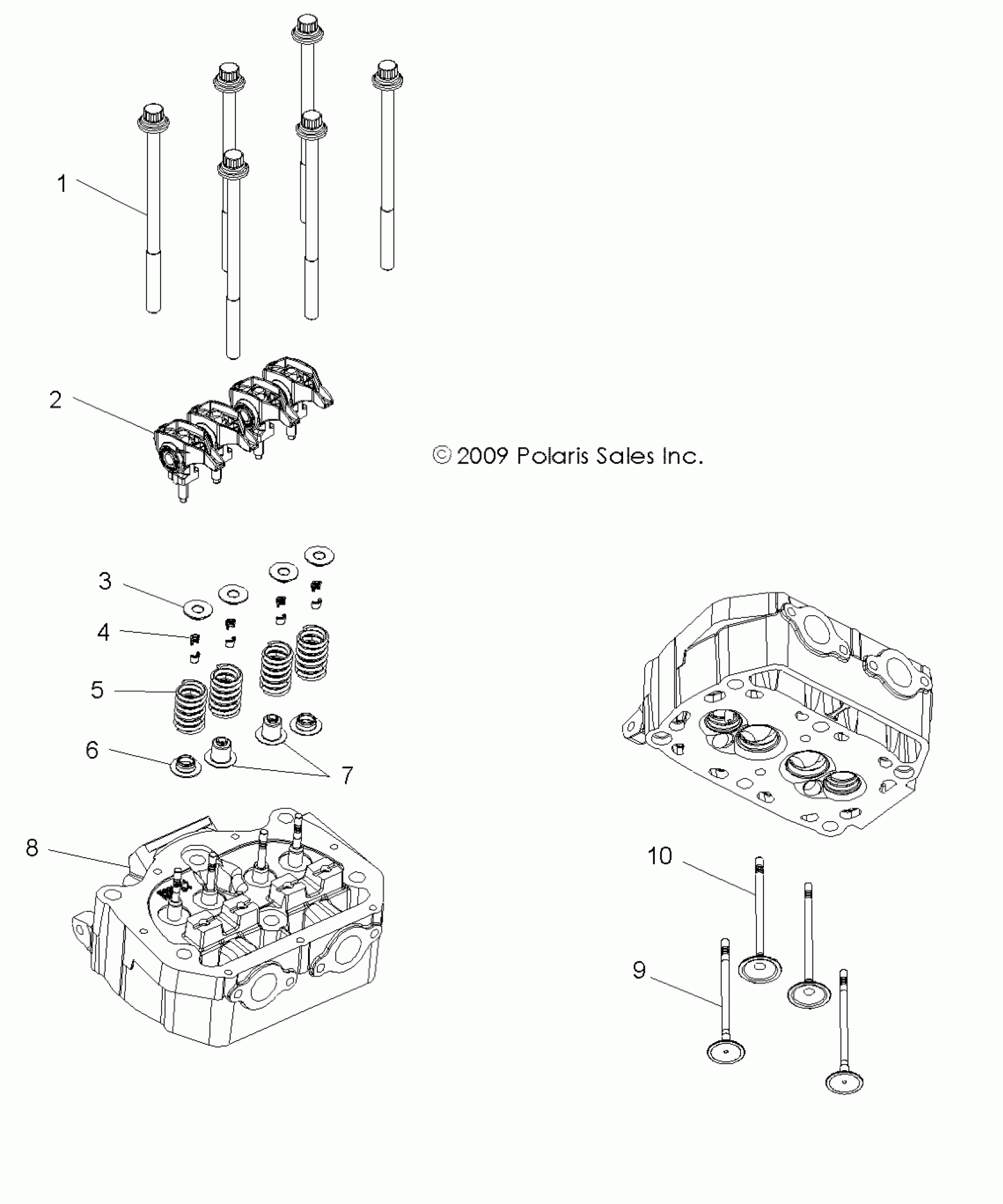
Polaris RZR "S" 800 EFI - R10VH76AB/AO/AQ/AW ENGINE, CYLINDER HEAD and VALVES - R10VH76AB/AO/AQ/AW (49RGRVALVE10RZRS) Diagram

#

Description
Price

1

Bolt

7518274

Unavailable

2

ASM., ARM, ROCKER

1202169

$103.99

3

Retainer, Spring [Built 1/06/09 and After]

5136932

$26.39

4

RETAINER, LOCK

5910042

$5.59

5

Spring, Valve

7043318

Unavailable

6

Seat, Valve Spring [Built 1/06/09 and After]

5910329

$23.99

7

Seal, Valve Guide

5411895

$8.89

8

Head, Cylinder

3021934

Unavailable

9

VALVE, EXHAUST

5137264

$59.99

10

VALVE, INTAKE

5137265

$35.99