- Partiron
- OEM Parts
- Polaris
- Side-by-Side
- RZR
- 2017
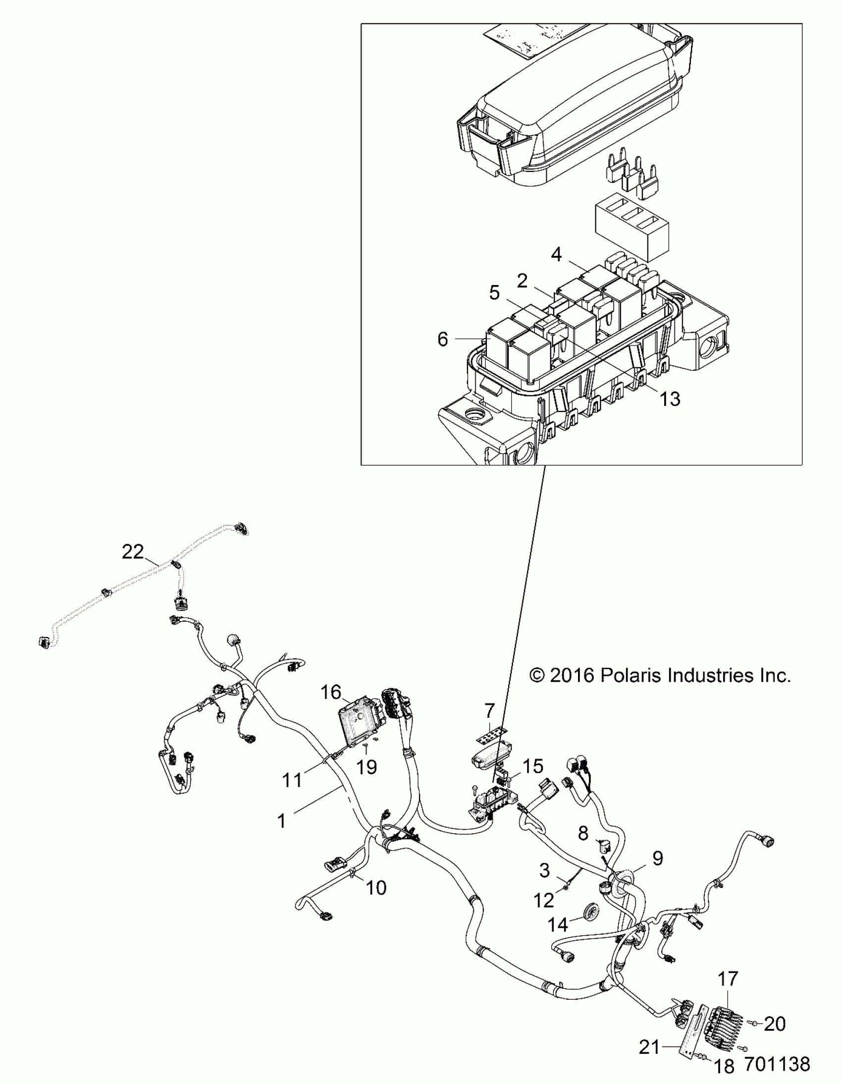
- RZR 900 60 INCH ALL OPTIONS (R11) - Z17VBA87A2/E87AB/AK/AM/LK
ELECTRICAL, WIRE HARNESS - Z17VBE87AB/AK/AM/LK (701138)
Polaris RZR 900 60 INCH ALL OPTIONS (R11) - Z17VBA87A2/E87AB/AK/AM/LK ELECTRICAL, WIRE HARNESS - Z17VBE87AB/AK/AM/LK (701138) Diagram
#
Description
Price
2
FUSE-MINI BLADE,15 AMP
2410280
Unavailable
6
RELAY-SPST,SERIES 303,SEALED
4011283
Unavailable
7
LABEL-FUSE BOX
7184204
Unavailable
10
CLIP FIR-TREE,DIA6-33MM
7081496
Unavailable
17
REGULATOR-3PH,50A,SERIES,HISPD
4014856
Unavailable
