- Partiron
- OEM Parts
- Polaris
- Side-by-Side
- RZR
- 2016
- RZR 900 50/55 INCH ALL OPTIONS (R18) - Z16VAA87/E87/X87
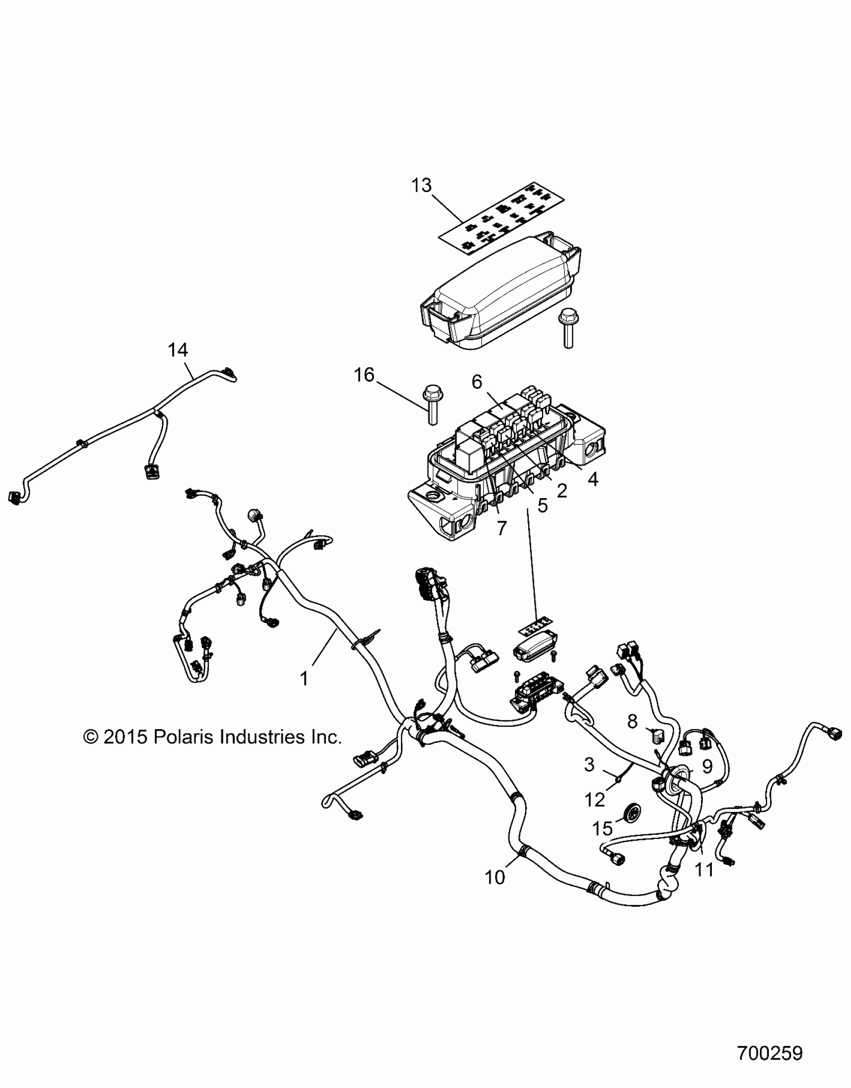
ELECTRICAL, WIRE HARNESS - Z16VAE87A9/AR/AU/AW (700259)
Polaris RZR 900 50/55 INCH ALL OPTIONS (R18) - Z16VAA87/E87/X87 ELECTRICAL, WIRE HARNESS - Z16VAE87A9/AR/AU/AW (700259) Diagram
#
Description
Price
2
FUSE-MINI BLADE,15 AMP
2410280
Unavailable
5
FUSE-PARK,20 AMP
2434017
Unavailable
6
RELAY-SPST,SERIES 303,SEALED
4011283
Unavailable
13
LABEL-FUSE BOX
7179870
Unavailable
