Partiron

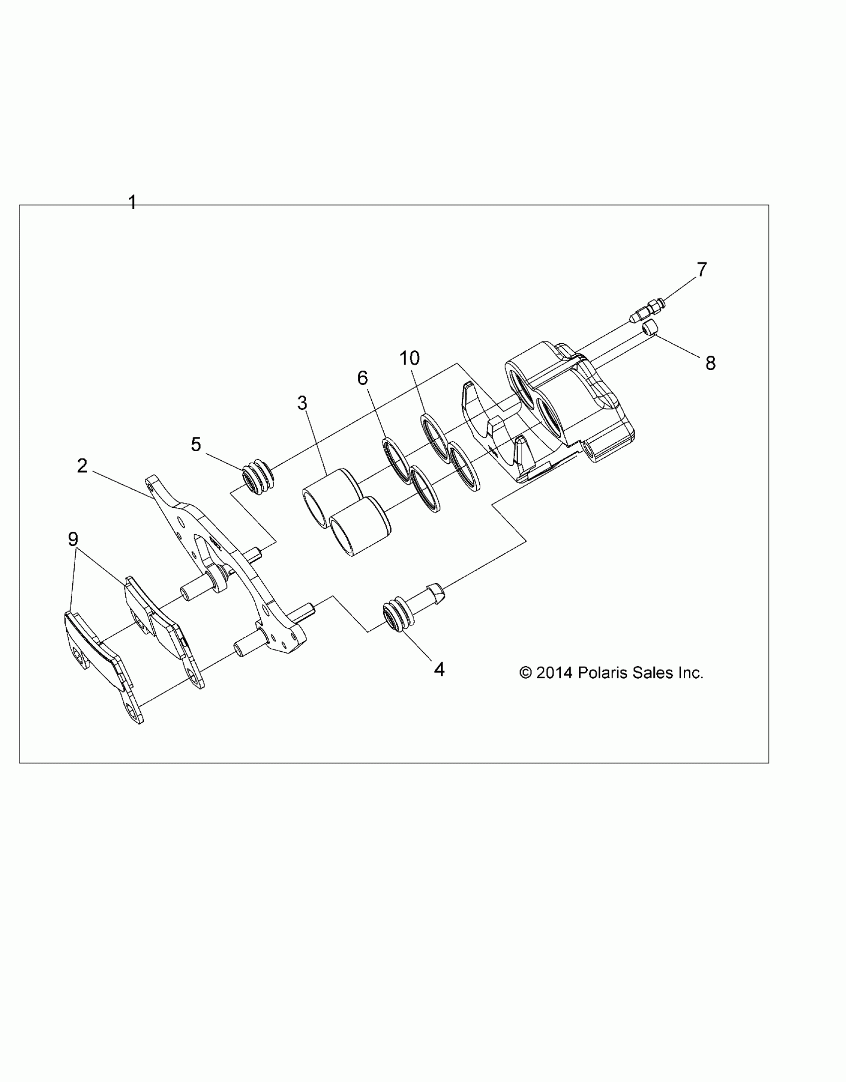
Polaris RZR 900 50/55 INCH ALL OPTIONS (R18) - Z16VAA87/E87/X87 BRAKES, FRONT CALIPER - Z16VA87 ALL OPTIONS (49RGRCALIPER15RZR900) Diagram

#

Description
Price

1

ASM., BRAKE CALIPER, LH [INCL. ALL]

1912244

$271.99

1

ASM., BRAKE CALIPER, RH [INCL. ALL]

1912245

$271.99

2

ASM., CALIPER MOUNT

1912253

$39.99

3

PISTON, BRAKE, LONG

5132294

$54.04

4

BOOT-PIN BUSHING

5412505

$3.19

5

BOOT-PIN SEAL

5412506

$3.19

6

SQUARE RING-MOLDED (.094)

5410779

$10.51

7

SCREW, BLEEDER

7081343

$5.59

8

SCREW

7518863

$9.59

9

ASM., BRAKE PAD, DUAL BORE

1911085

Unavailable

10

SQUARE RING, MOLDED (.103 X .134)

5410780

$10.51