- Partiron
- OEM Parts
- Polaris
- Side-by-Side
- RZR
- 2016
- RZR 570 (R05) - Z16VHA57A2/EAK/AS
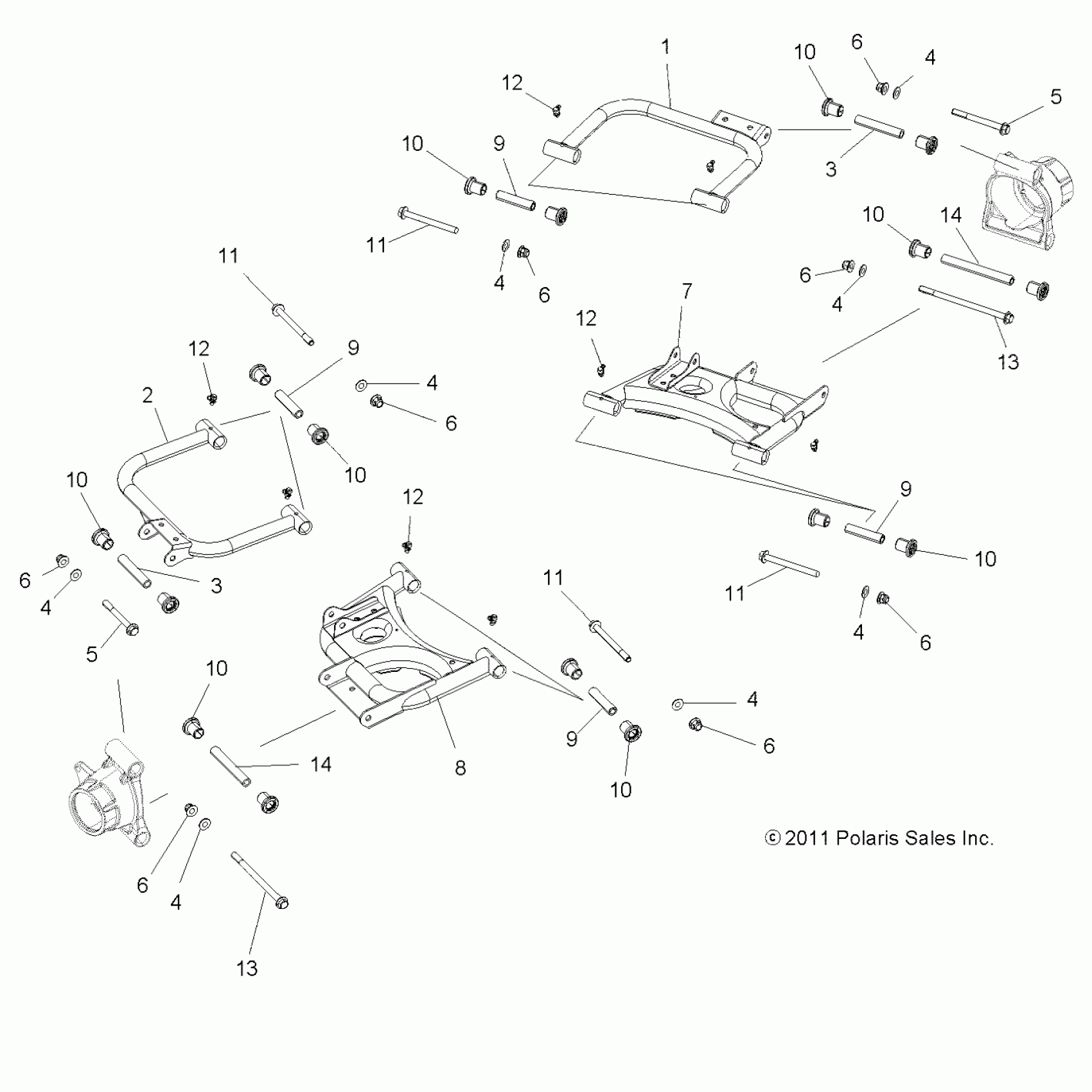
SUSPENSION, REAR CONTROL ARMS - Z16VHA57A2/EAK/AS (49RGRSUSPRR12RZR570)
Polaris RZR 570 (R05) - Z16VHA57A2/EAK/AS SUSPENSION, REAR CONTROL ARMS - Z16VHA57A2/EAK/AS (49RGRSUSPRR12RZR570) Diagram
#
Description
Price
1
ARM, CONTROL, UPPER, REAR, CLOUD SILVER, LH [AK]
1018121-385
Unavailable
2
ARM, CONTROL, UPPER, REAR, CLOUD SILVER, RH [AK]
1018123-385
Unavailable
7
ARM, CONTROL LOWER, REAR, CLOUD SILVER, LH [AK]
1018115-385
Unavailable
7
ARM, CONTROL LOWER, REAR, MATTE BLACK, LH [A2][AS]
1018115-458
Unavailable
8
ARM, CONTROL LOWER, REAR, CLOUD SILVER, RH [AK]
1018116-385
Unavailable
8
ARM, CONTROL LOWER, REAR, MATTE BLACK, RH [A2][AS]
1018116-458
Unavailable
