- Partiron
- OEM Parts
- Polaris
- Side-by-Side
- RZR
- 2016
- RZR 570 (R05) - Z16VHA57A2/EAK/AS
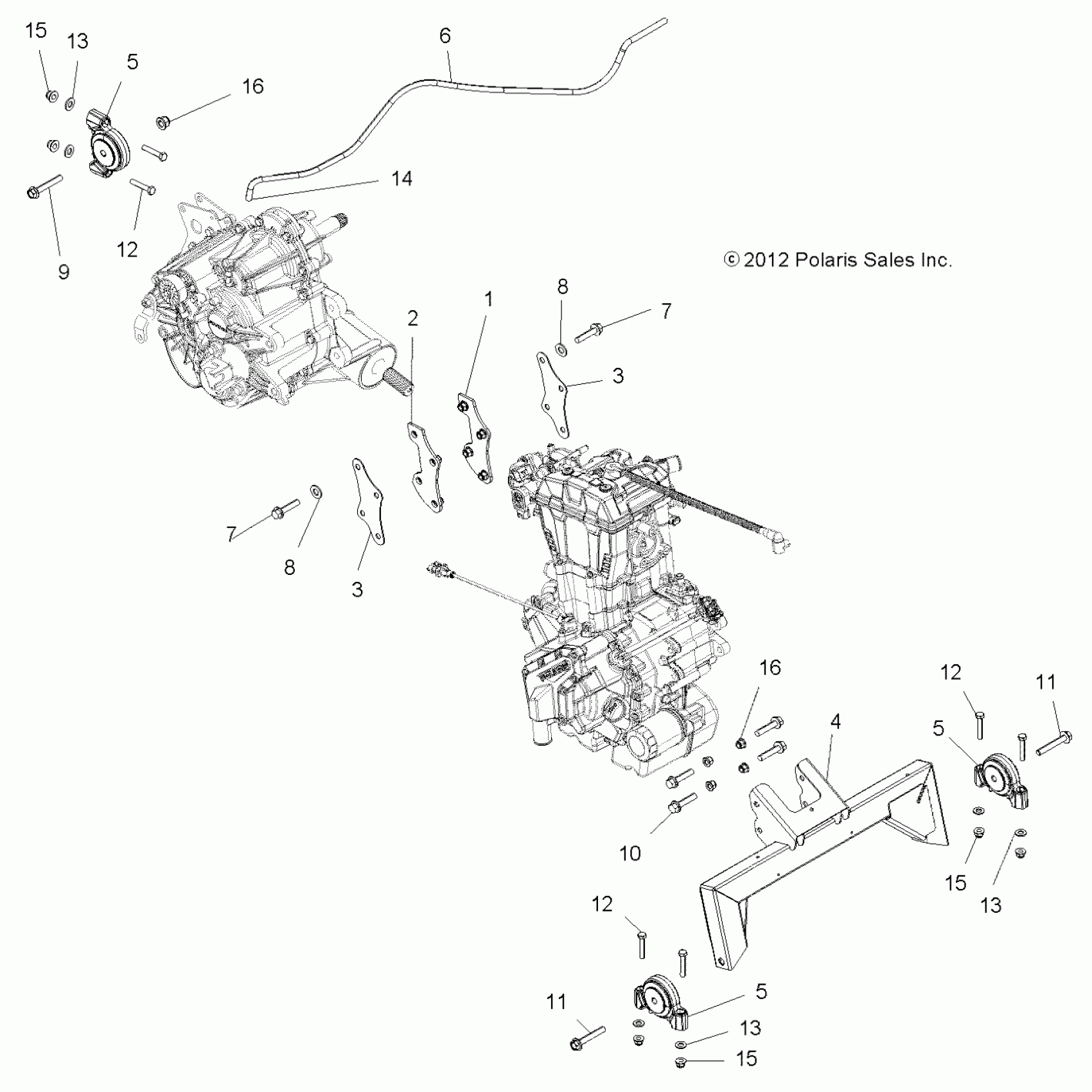
ENGINE, ENGINE and TRANSMISSION MOUNTING - Z16VHA57A2/EAK/AS (49RGRENGINEMTG13RZR570)
Polaris RZR 570 (R05) - Z16VHA57A2/EAK/AS ENGINE, ENGINE and TRANSMISSION MOUNTING - Z16VHA57A2/EAK/AS (49RGRENGINEMTG13RZR570) Diagram
#
Description
Price
1
TRANSMISSION, INNER, LEFT
1018420
Unavailable
2
TRANSMISSION, INNER, RIGHT
1018421
Unavailable
6
Line, Fuel
8450003-1525
Unavailable
