- Partiron
- OEM Parts
- Yamaha
- motorcycle
- 1985
- RZ350NCII (RZ350II CA) 1985
SHIFT SHAFT
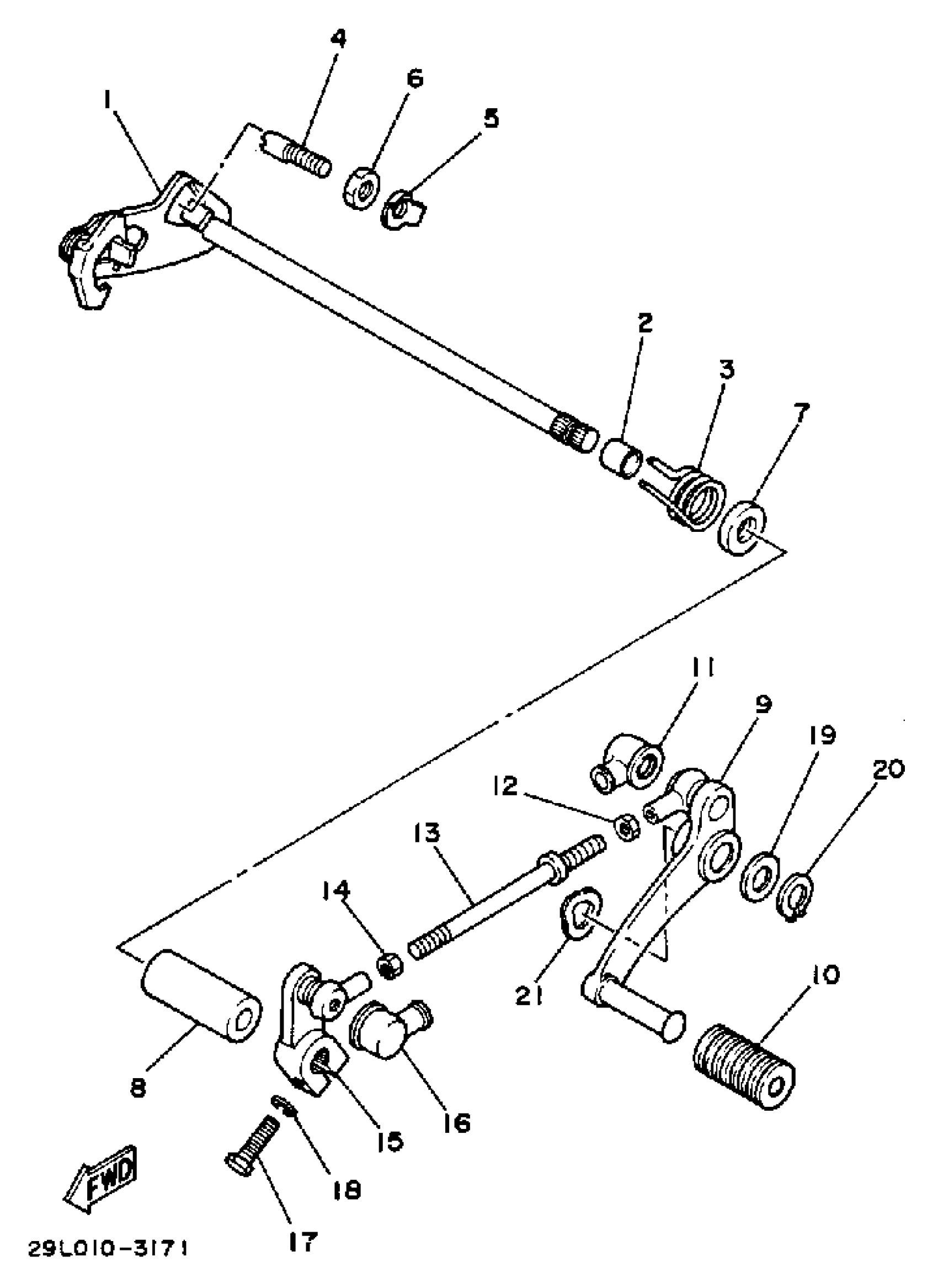
Yamaha RZ350NCII (RZ350II CA) 1985 SHIFT SHAFT Diagram
#
Description
Price
2
SPACER
90560-12171-00
Unavailable
9
PEDAL, SHIFT
29L-18111-00-00
Unavailable
13
ROD, SHIFT
29L-18115-00-00
Unavailable
15
ARM, SHIFT
29L-18112-00-00
Unavailable
17
BOLT, HEXAGON
97017-06020-00
Unavailable
18
WASHER, SPRING
92995-06100-00
Unavailable
19
WASHER, PLATE
90201-12047-00
Unavailable
20
CIRCLIP(10Y)
99009-12400-00
Unavailable
21
WASHER, WAVE (17W)
90206-12074-00
Unavailable
