- Partiron
- OEM Parts
- Yamaha
- motorcycle
- 1984
- RZ350L (RZ350) 1984
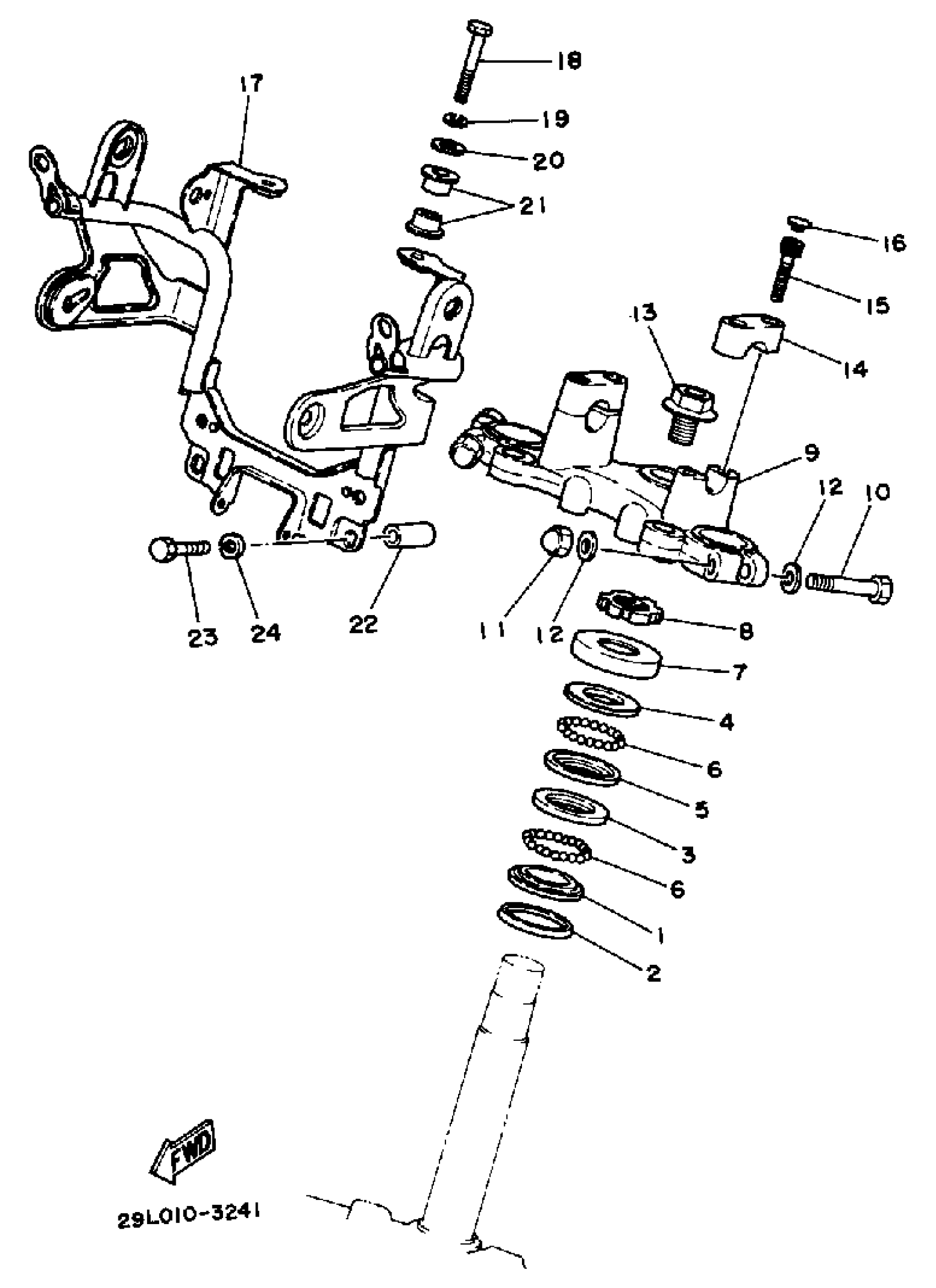
STEERING
Yamaha RZ350L (RZ350) 1984 STEERING Diagram
#
Description
Price
5
RACE,BALL 2
4FP-F3412-10-00
Unavailable
9
CROWN, HANDLE
29L-23435-00-98
Unavailable
16
CAP, BOLT (371,447)
341-23469-00-00
Unavailable
17
STAY, HEADLIGHT
29L-23174-00-98
Unavailable
18
BOLT(8BC)
97017-06040-00
Unavailable
19
WASHER, SPRING
92907-06100-00
Unavailable
20
WASHER, PLATE
90201-06380-00
Unavailable
21
DAMPER, METER BRACKET
584-83541-00-00
Unavailable
22
COLLAR (877)
90387-06249-00
Unavailable
23
BOLT
97017-08035-00
Unavailable
24
WASHER(JN5)
92907-08100-00
Unavailable
