- Partiron
- OEM Parts
- Sea-doo
- Watercraft
- 2009
- RXT
- RXT iS 255, 2009
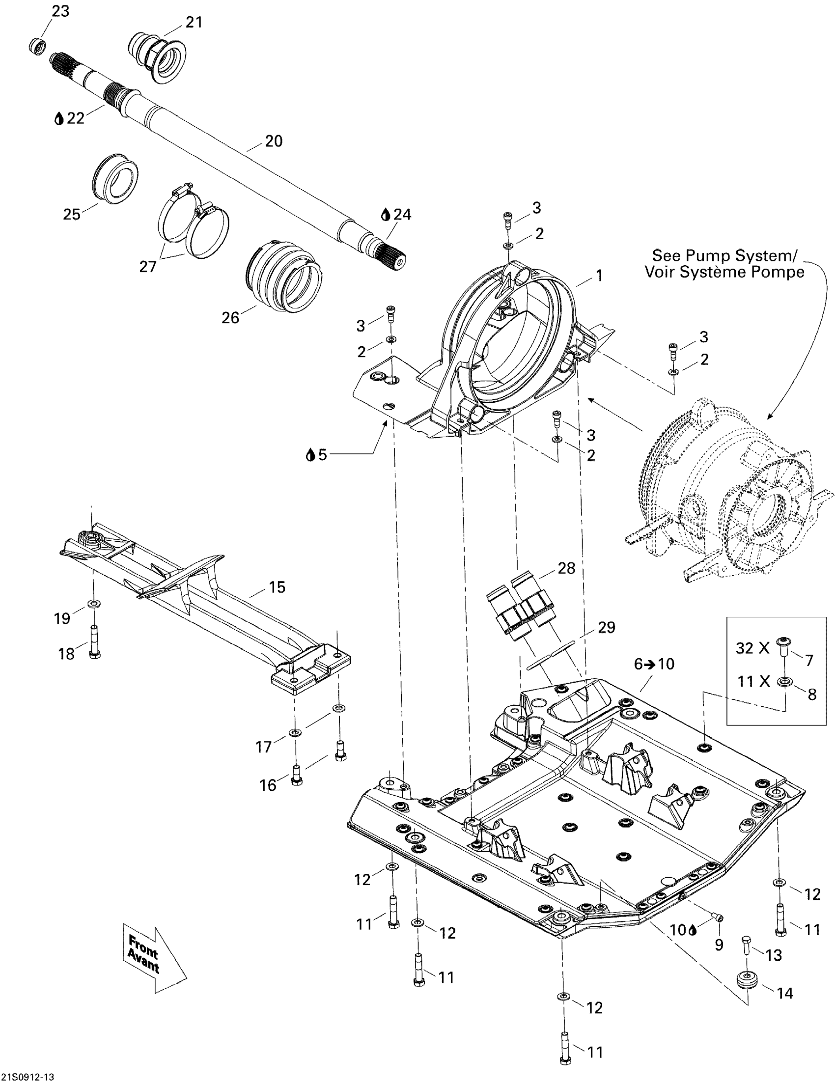
Propulsion
Sea-doo RXT iS 255, 2009 Propulsion Diagram
#
Description
Price
1
PUMP SUPPORT - Call your local BRP dealership
271001704
Unavailable
20
Drive Shaft
271001608
Unavailable
24
Synthetic Grease, 400 G
293550010
Unavailable
25
CARBON RING - Call your local BRP dealership | Not Available. Ref Bulletin 2019-4
271001420
Unavailable
