Partiron

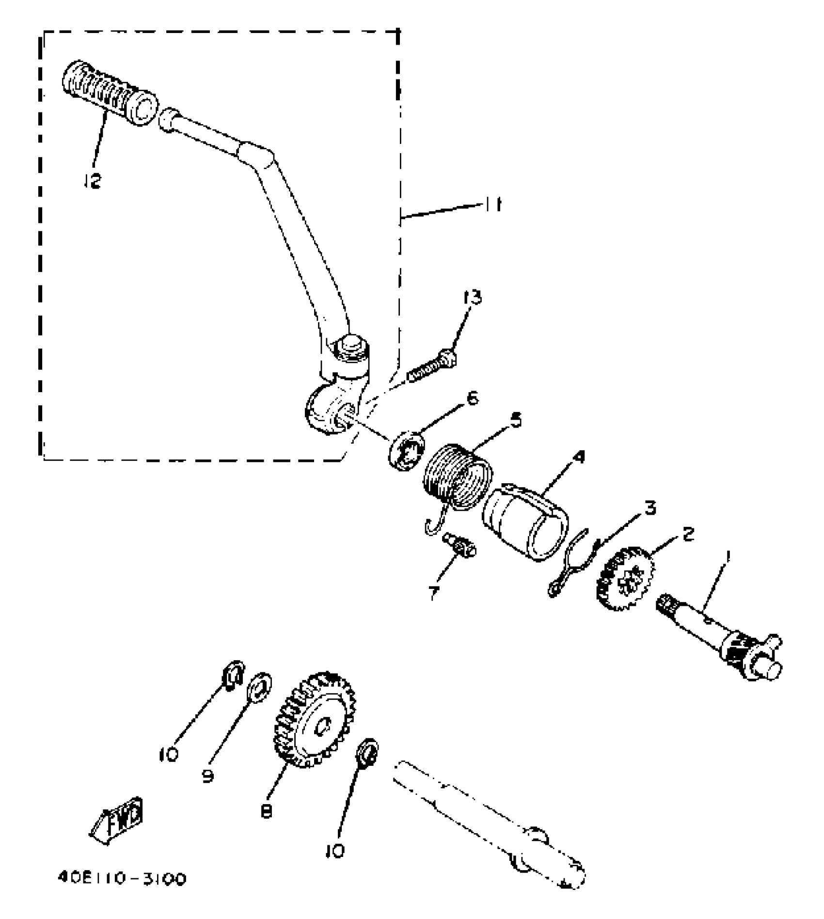
Yamaha RX50K (RX350MK) 1983 STARTER Diagram

#

Description
Price

1

UNAVAILABLE IN PRICE BOOK

[5U-41566-00-00

Unavailable

2

GEAR, KICK (24T)

353-15641-00-00

Unavailable

3

CLIP

90468-26038-00

Unavailable

4

GUIDE, SPRING

4U1-15664-00-00

Unavailable

5

SPRING TORSION 304156650000

90508-26136-00

Unavailable

6

OIL SEAL (15X26X6-102)

93109-15001-00

$8.49

7

STOPPER, KICK SPRING

248-15668-00-00

$7.99

8

GEAR, KICK IDLE

353-15651-00-00

Unavailable

9

WASHER PLATE 164185720000

90201-12166-00

$9.49

10

CIRCLIP(10Y)

99009-12400-00

$3.59

11

KICK CRANK ASSEMBLY

4U5-15620-01-00

Unavailable

12

COVER, KICK LEVER

156-15618-01-00

$7.99

13

BOLT, HEXAGON

97017-06025-00

$4.24