- Partiron
- OEM Parts
- Yamaha
- motorcycle
- 1983
- RX50K (RX350MK) 1983
C - D - I - MAGNETO
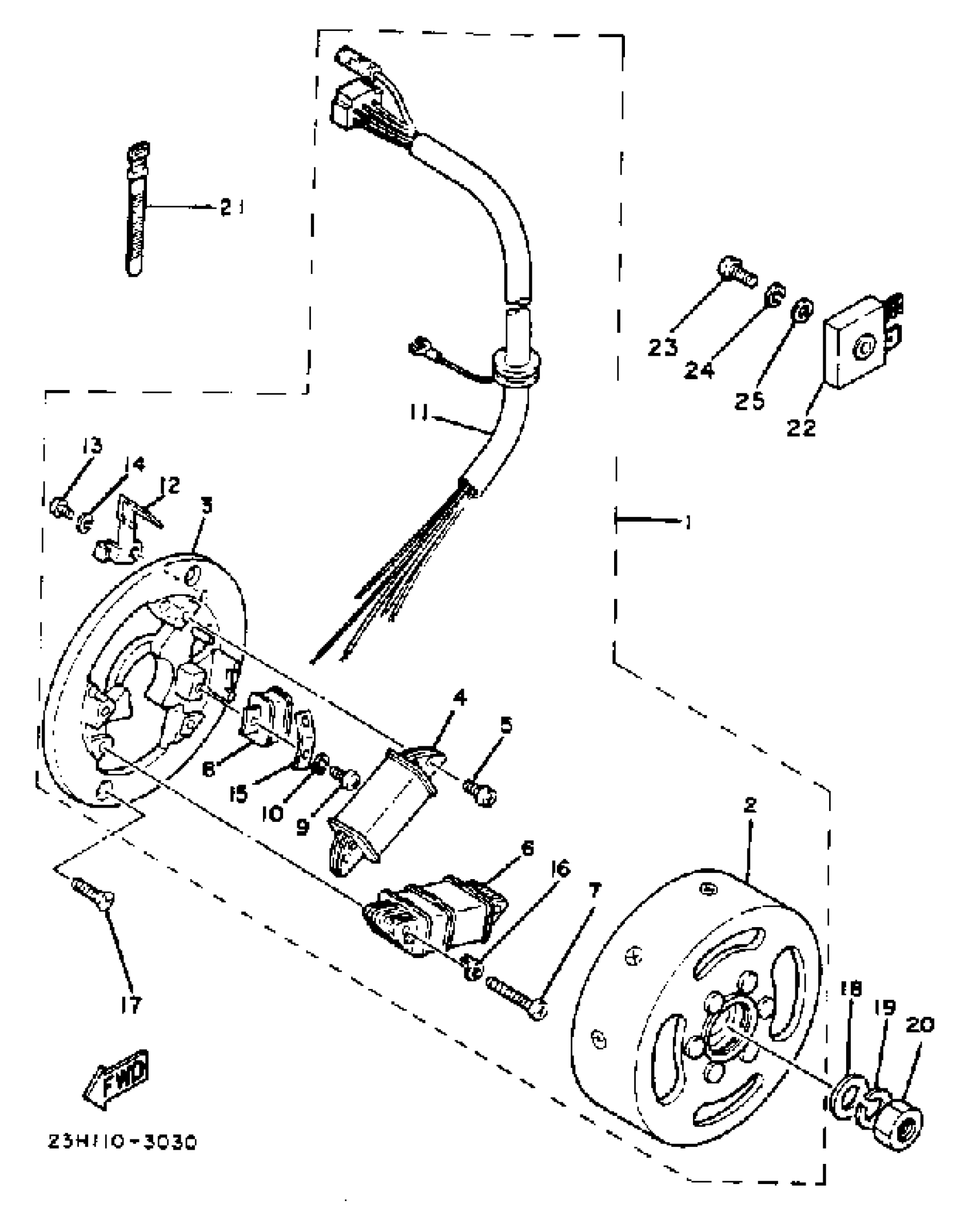
Yamaha RX50K (RX350MK) 1983 C - D - I - MAGNETO Diagram
#
Description
Price
1
UNAVAILABLE IN PRICE BOOK
[23-H8550-0M-00
Unavailable
2
. UNAVAILABLE IN PRICE BOOK
[23-H8555-0M-00
Unavailable
3
. UNAVAILABLE IN PRICE BOOK
[3E-58556-1M-10
Unavailable
4
COIL, CHARGE
4Y4-85520-M1-00
Unavailable
5
SCREW, PAN HEAD
98511-04012-00
Unavailable
6
. COIL, LIGHTING 1
23H-81313-M0-00
Unavailable
7
SCREW, PAN HEAD
98517-04025-00
Unavailable
11
. UNAVAILABLE IN PRICE BOOK
[4U-58131-XM-00
Unavailable
12
CLAMP
(4G3-81328-00-00)
Unavailable
13
SCREW, PAN HEAD(3XP)
98517-04006-00
Unavailable
15
TERMINAL, EARTH 1
2T4-85568-M1-00
Unavailable
16
TERMINAL, EARTH 2
2T4-85569-M1-00
Unavailable
17
SCREW, FLAT
98707-05016-00
Unavailable
18
WASHER (492)
90201-12535-00
Unavailable
19
YBS67-12 WASHER,SPRING
92990-12100-00
Unavailable
20
NUT, HEXAGON 98801-12200
90170-12175-00
Unavailable
21
BAND, SWITCH CORD
437-83936-01-00
Unavailable
22
RECTIFIER ASSY
353-81970-M2-00
Unavailable
23
SCREW, PAN HEAD
98580-05020-00
Unavailable
24
YBS67-5 WASHER, SPRING
92990-05100-00
Unavailable
25
WASHER, PLAIN (646)
92990-05600-00
Unavailable
