- Partiron
- OEM Parts
- Yamaha
- snowmobile
- 2017
- RX10XTHL (APEX XTX) 8KL3 2017
ELECTRICAL 1
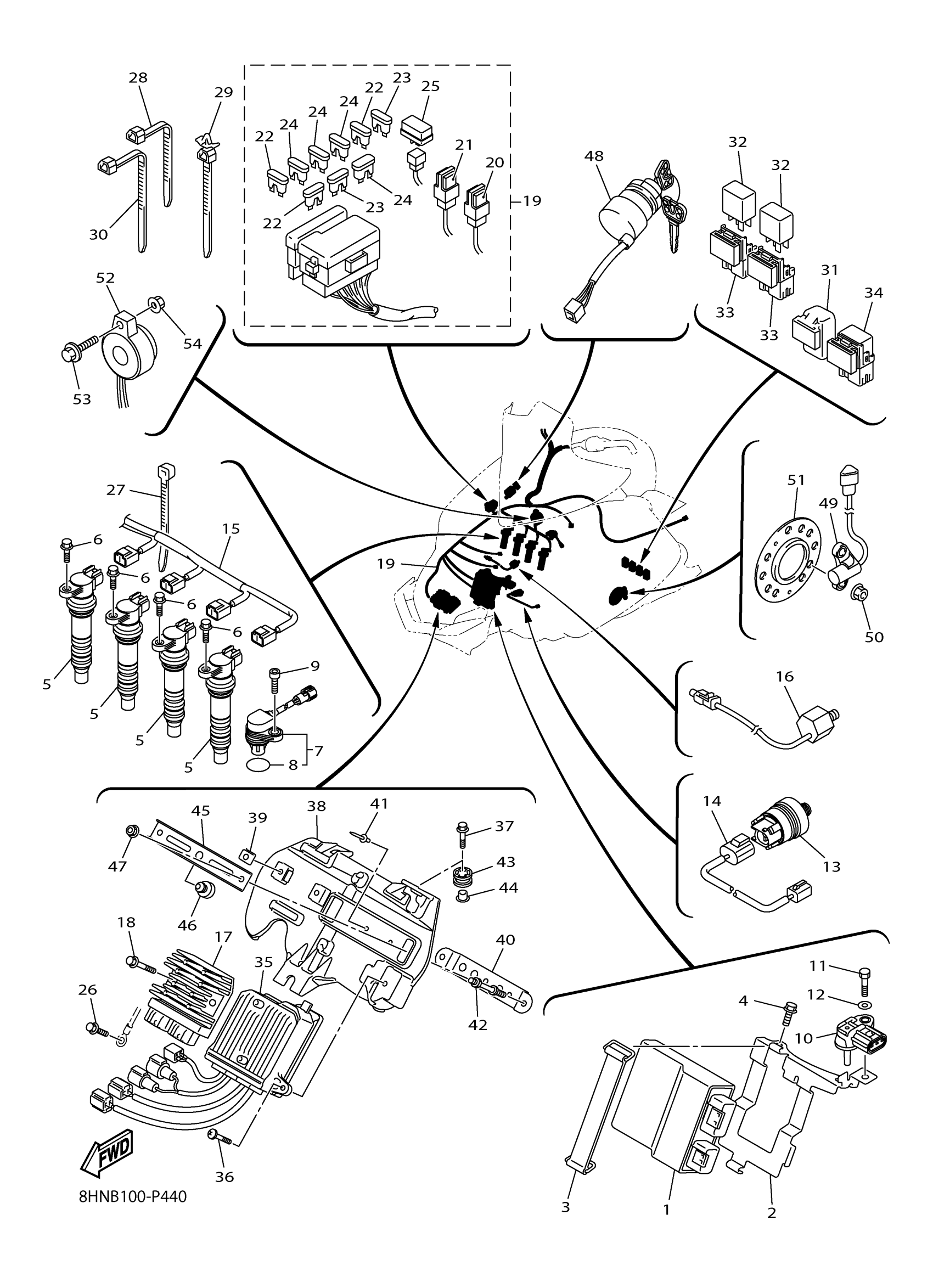
Yamaha RX10XTHL (APEX XTX) 8KL3 2017 ELECTRICAL 1 Diagram
#
1
ENGINE CONTROL UNIT ASSY
8HG-8591A-10-00
Unavailable
2
BRACKET, UNIT
8HG-85991-00-00
Unavailable
6
BOLT, FLANGE
95817-06025-00
Unavailable
15
LEAD WIRE ASSY
8HG-81515-10-00
Unavailable
16
SENSOR, KNOCK
8FE-85780-00-00
Unavailable
17
RECTIFIER & REGULATOR ASSY
1D7-81960-01-00
Unavailable
18
BOLT, FLANGE
95822-06025-00
Unavailable
19
WIRE HARNESS ASSY
8HG-82590-20-00
Unavailable
20
SLOW BLOW FUSE
JR9-82151-00-00
Unavailable
21
FUSE
4FM-82151-00-00
Unavailable
22
FUSE
5JJ-82151-20-00
Unavailable
23
FUSE (5A)
67F-82151-20-00
Unavailable
24
. FUSE (3A)
67F-82151-30-00
Unavailable
25
DIODE ASSY
4WA-81980-00-00
Unavailable
26
BOLT, FLANGE
95817-06012-00
Unavailable
27
CLAMP(3XW)
90464-35132-00
Unavailable
28
CLAMP
90464-13077-00
Unavailable
29
CLAMP(2TV)
90464-10112-00
Unavailable
30
CLAMP(4FM)
90464-15195-00
Unavailable
31
RELAY ASSY
5DM-81950-01-00
Unavailable
32
RELAY ASSY (8HG-10
8HG-81951-10-00
Unavailable
33
HOLDER, RELAY
8HG-81952-00-00
Unavailable
34
RELAY ASSY
8GN-81950-00-00
Unavailable
35
POWER STRG. CONT. UNIT ASSY
8HG-859A0-11-00
Unavailable
36
SCREW, BIND (J17)
98980-06020-00
Unavailable
37
BOLT, WITH WASHER
90119-06105-00
Unavailable
38
BRKT., CONTROL UNIT
8HG-2830X-00-00
Unavailable
39
NUT, SPRING(4ES)
90183-06069-00
Unavailable
40
BRACKET 1
8HG-2836A-00-00
Unavailable
41
RIVET, BLIND (8L0)
90267-48059-00
Unavailable
42
SCREW, FITTING
8HG-82133-00-00
Unavailable
43
GROMMET
90480-12023-00
Unavailable
44
COLLAR
90387-06203-00
Unavailable
45
BRACKET
8HG-81948-00-00
Unavailable
46
PAD, SEAT
22W-24741-00-00
Unavailable
47
NUT, FLANGE
95702-06500-00
Unavailable
48
MAIN SWITCH ASSY
8HV-82510-00-00
Unavailable
49
SENSOR, SPEED
8HG-83755-00-00
Unavailable
50
NUT, NYLON
95717-08300-00
Unavailable
51
HOUSING, FRONT AXLE
8EK-47551-00-00
Unavailable
52
BUZZER
8GL-83383-00-00
Unavailable
53
SCREW, WITH WASHER
90159-05035-00
Unavailable
54
NUT, FLANGE
95702-05500-00
Unavailable
