- Partiron
- OEM Parts
- Yamaha
- snowmobile
- 2006
- RX10RTL (APEX RTX) 8FP1 2006
ELECTRICAL 1
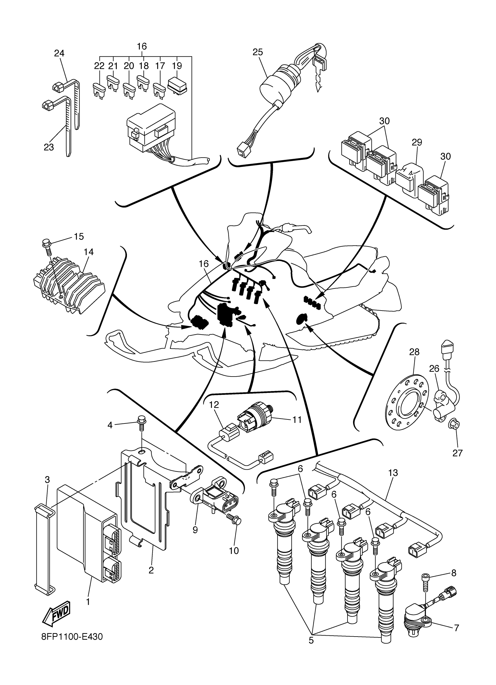
Yamaha RX10RTL (APEX RTX) 8FP1 2006 ELECTRICAL 1 Diagram
#
Description
Price
1
ENGINE CONTROL UNIT ASSY
8FP-8591A-00-00
Unavailable
2
BRACKET, UNIT
8FP-85991-00-00
Unavailable
6
BOLT, FLANGE
95817-06025-00
Unavailable
8
BOLT,SOCKET
91317-06020-00
Unavailable
13
LEAD WIRE ASSY
8FP-81515-02-00
Unavailable
15
BOLT, FLANGE
95817-06025-00
Unavailable
16
WIRE HARNESS ASSY
8FP-82590-00-00
Unavailable
17
FUSE
5JJ-82151-20-00
Unavailable
18
. FUSE (10A)
67F-82151-40-00
Unavailable
19
DIODE ASSY
4WA-81980-00-00
Unavailable
20
SLOW BLOW FUSE
JR9-82151-00-00
Unavailable
21
. FUSE (3A)
67F-82151-30-00
Unavailable
22
FISE (4A-BL)
5JJ-82151-40-00
Unavailable
23
CLAMP(4FM)
90464-15195-00
Unavailable
24
CLAMP
90464-13077-00
Unavailable
25
MAIN SWITCH ASSY
8FJ-82510-00-00
Unavailable
26
SENSOR, SPEED
8FP-83755-01-00
Unavailable
27
NUT, NYLON
95717-08300-00
Unavailable
28
HOUSING, FRONT AXLE
8EK-47551-00-00
Unavailable
29
RELAY ASSY
5DM-81950-01-00
Unavailable
30
RELAY ASSY (8FP-01)
8FP-81950-01-00
Unavailable
