- Partiron
- OEM Parts
- Yamaha
- snowmobile
- 2010
- RX10LTZW (APEX LTX_GT) 8FT9 2010
ELECTRICAL 2
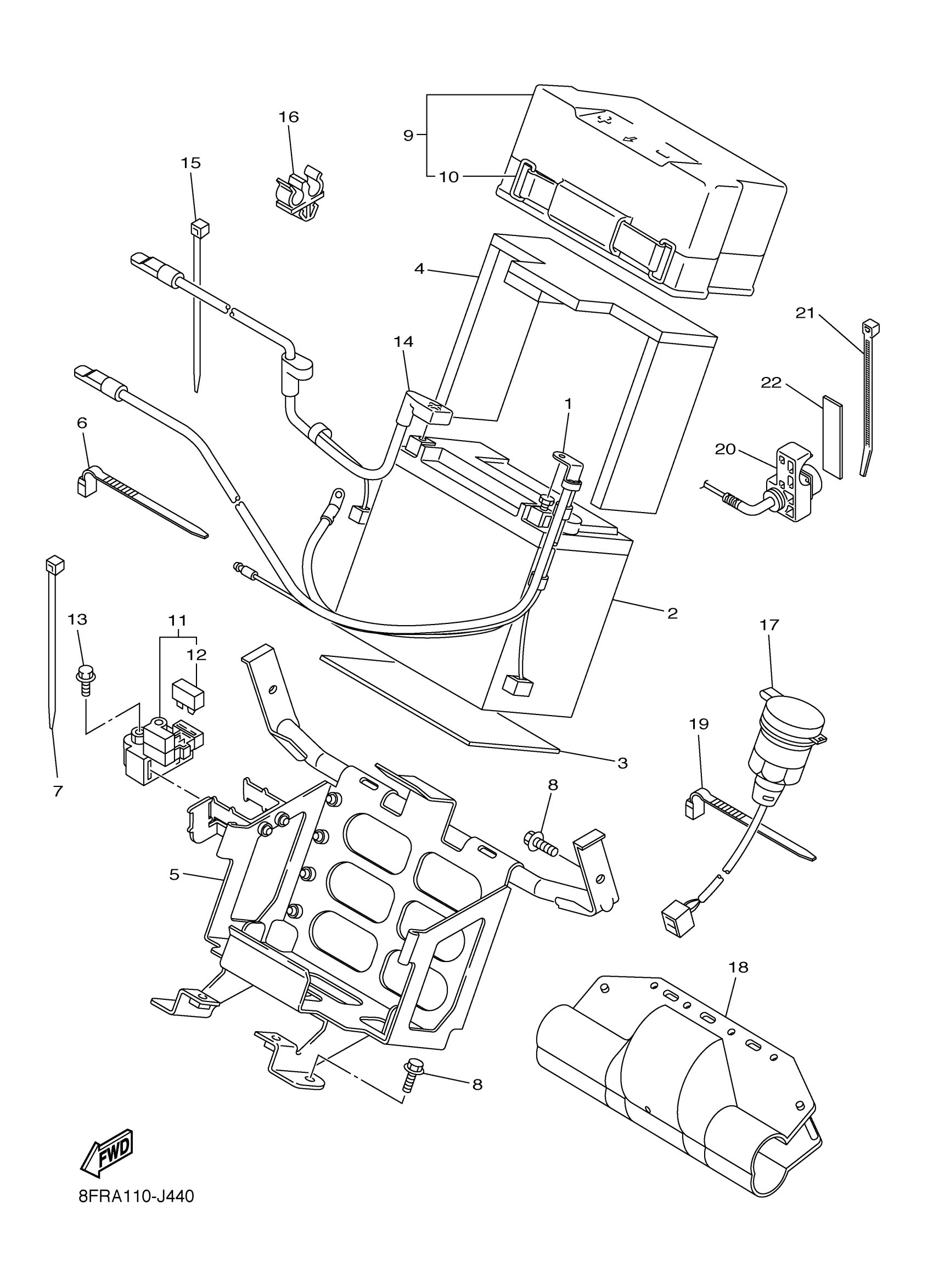
Yamaha RX10LTZW (APEX LTX_GT) 8FT9 2010 ELECTRICAL 2 Diagram
#
Description
Price
1
WIRE, MINUS LEAD
8FP-82116-01-00
Unavailable
2
YTX14BS YUASA BATTERY - SA
YTX-14BS0-00-00
Unavailable
3
SEAT, BATTERY
8FA-82122-00-00
Unavailable
4
PLATE, BATTERY FITTING
8FU-82136-00-00
Unavailable
5
BRACKET, BATTERY
8FP-2199G-01-00
Unavailable
9
COVER, BATTERY
8FU-82129-00-00
Unavailable
14
WIRE, PLUS LEAD
8FP-82115-00-00
Unavailable
16
CLAMP(87A)
90464-08126-00
Unavailable
17
TERMINAL COMP.
8FP-8254B-00-00
Unavailable
18
COVER
8FP-8252U-00-00
Unavailable
20
TERMINAL COMP.
8HK-8254B-00-00
Unavailable
21
CLAMP(3XW)
90464-35132-00
Unavailable
22
DAMPER
8HF-84527-00-00
Unavailable
