- Partiron
- OEM Parts
- Yamaha
- snowmobile
- 2005
- RX10K (RX-1) 8FU1 2005
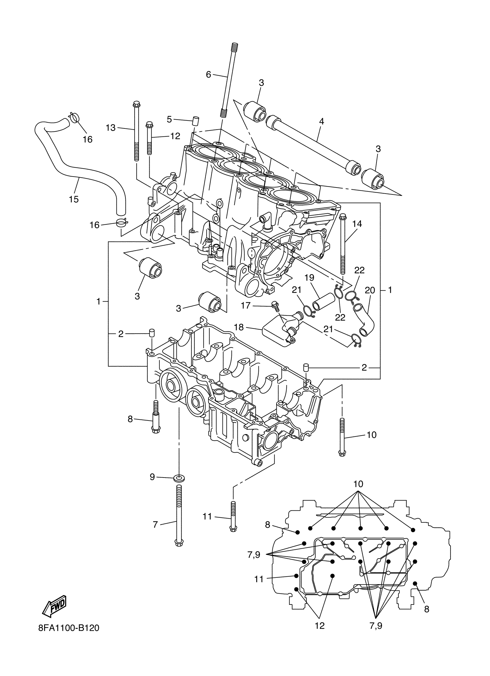
CRANKCASE
Yamaha RX10K (RX-1) 8FU1 2005 CRANKCASE Diagram
#
Description
Price
1
CRANKCASE ASSY
8FA-15100-03-00
Unavailable
3
DAMPER
8FA-2139X-00-00
Unavailable
4
SPACER
8FA-21459-00-00
Unavailable
11
BOLT, FLANGE
95817-06025-00
Unavailable
15
PIPE, BREATHER 1
8FA-11166-00-00
Unavailable
16
CLIP (4V3)
90467-20050-00
Unavailable
17
BOLT(3KJ)
90109-063F1-00
Unavailable
18
BREATHER
8FA-15371-00-00
Unavailable
19
PIPE, BREATHER 2
8FA-11167-00-00
Unavailable
20
PIPE, BREATHER 4
8FA-11125-00-00
Unavailable
21
CLIP (21V)
90467-22080-00
Unavailable
22
CLIP (21V)
90467-22080-00
Unavailable
