Partiron

Yamaha RX10GTAXW (APEX GT 40TH ANNIVERSARY) 8GD7 2008 TRACK DRIVE 1 Diagram

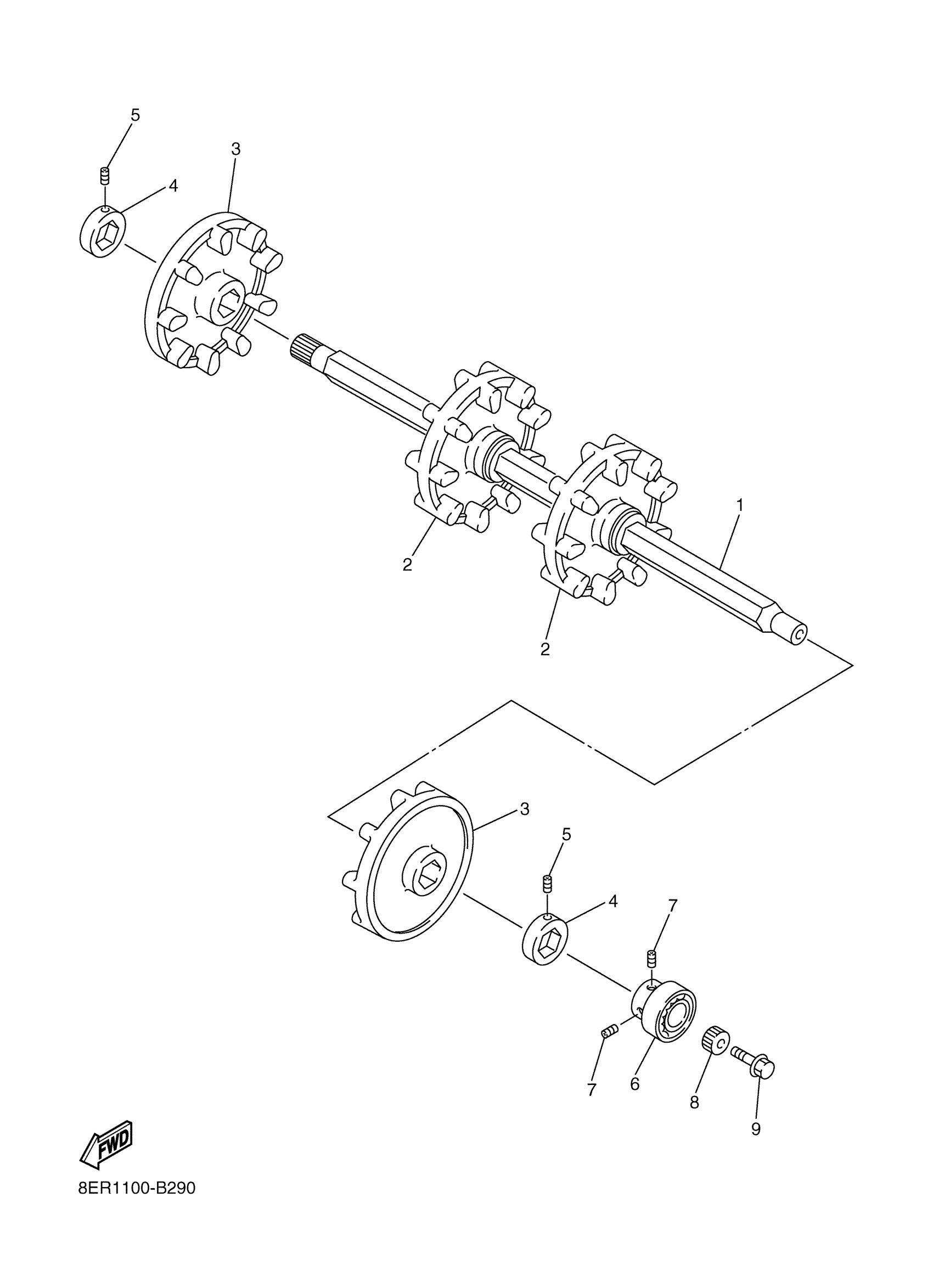
#

Description
Price

1

AXLE, FRONT

8FA-47511-00-00

$276.99

2

WHEEL, SPROCKET 1

8CM-47531-10-00

$145.99

3

WHEEL, SPROCKET 2

8BW-47532-10-00

$122.99

4

COLLAR

8BW-47526-00-00

$59.99

5

BOLT, SET (8K2)

90113-06039-00

$9.49

6

BEARING(8CJ)

93306-20589-00

$59.99

7

BOLT, SET

90113-06006-00

$4.29

8

JOINT

8EK-47715-00-00

$35.99

9

BOLT, FLANGE(3GD)

95817-10025-00

$8.49