- Partiron
- OEM Parts
- Sea-doo
- Watercraft
- 2001
- RX
- RX X, 5589, 2001
Oil Injection System
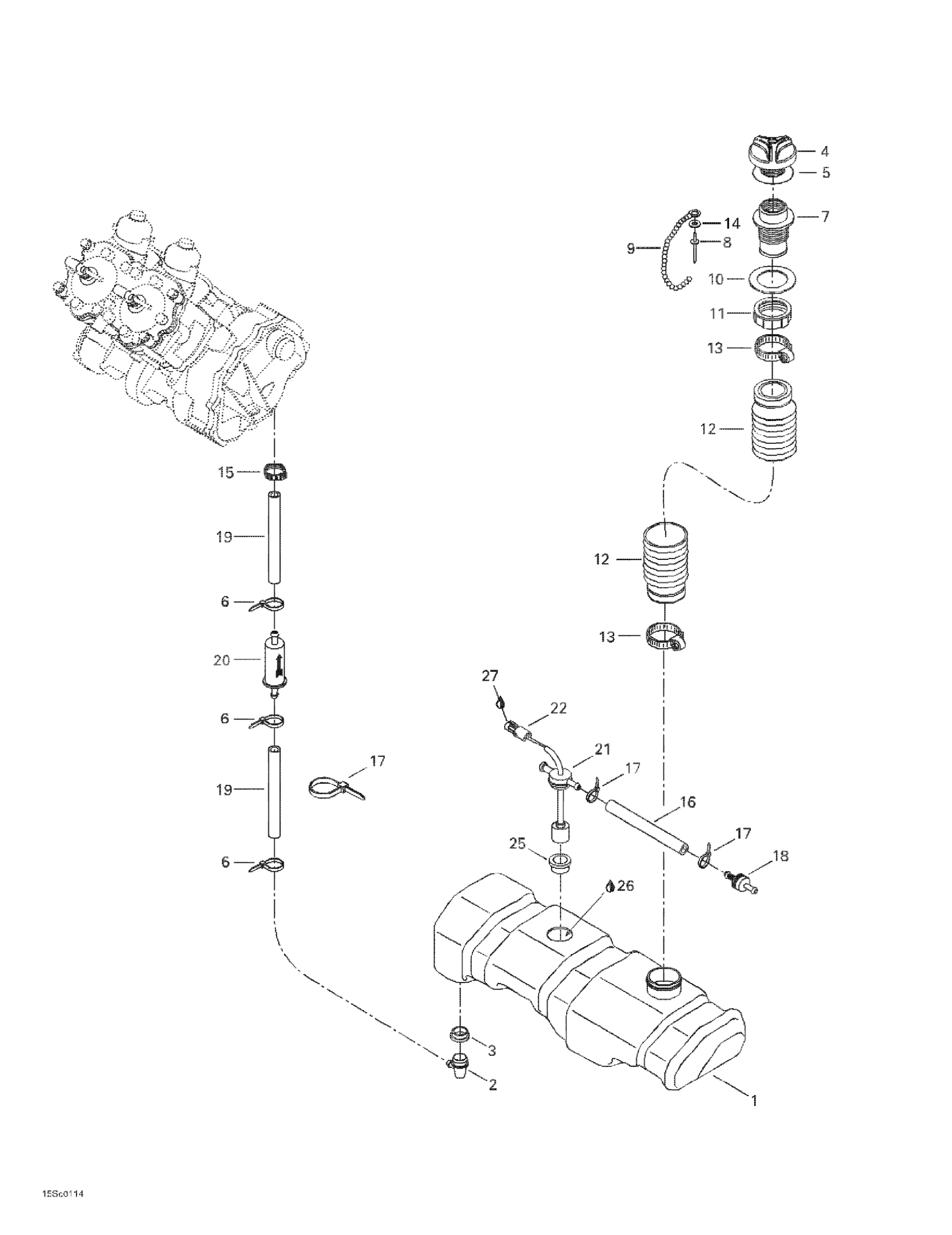
Sea-doo RX X, 5589, 2001 Oil Injection System Diagram
#
Description
Price
2
Elbow Fitting 90°
293710070
Unavailable
4
Oil Cap
275000186
Unavailable
5
O-RING - Call your local BRP dealership
293250025
Unavailable
7
Filler Neck
275000212
Unavailable
9
Oil Cap Chain
275500015
Unavailable
10
Gasket
293250016
Unavailable
11
Nut-Neck Oil Filler
211100013
Unavailable
12
Filler Hose
275000188
Unavailable
16
HOSE-6MM. 5000MM LONG - Call your local BRP dealership
219704396
Unavailable
20
OIL FILTER - Call your local BRP dealership
275000051
Unavailable
21
Oil Sensor | Includes 44 to 48
278001402
Unavailable
26
OIL 2T 3X1G SYNTH - Call your local BRP dealership This part replaces 293600046.
293600133
Unavailable
