- Partiron
- OEM Parts
- Sea-doo
- Watercraft
- 2001
- RX
- RX DI, 5534/5535/5536/5537, 2001
Drive System
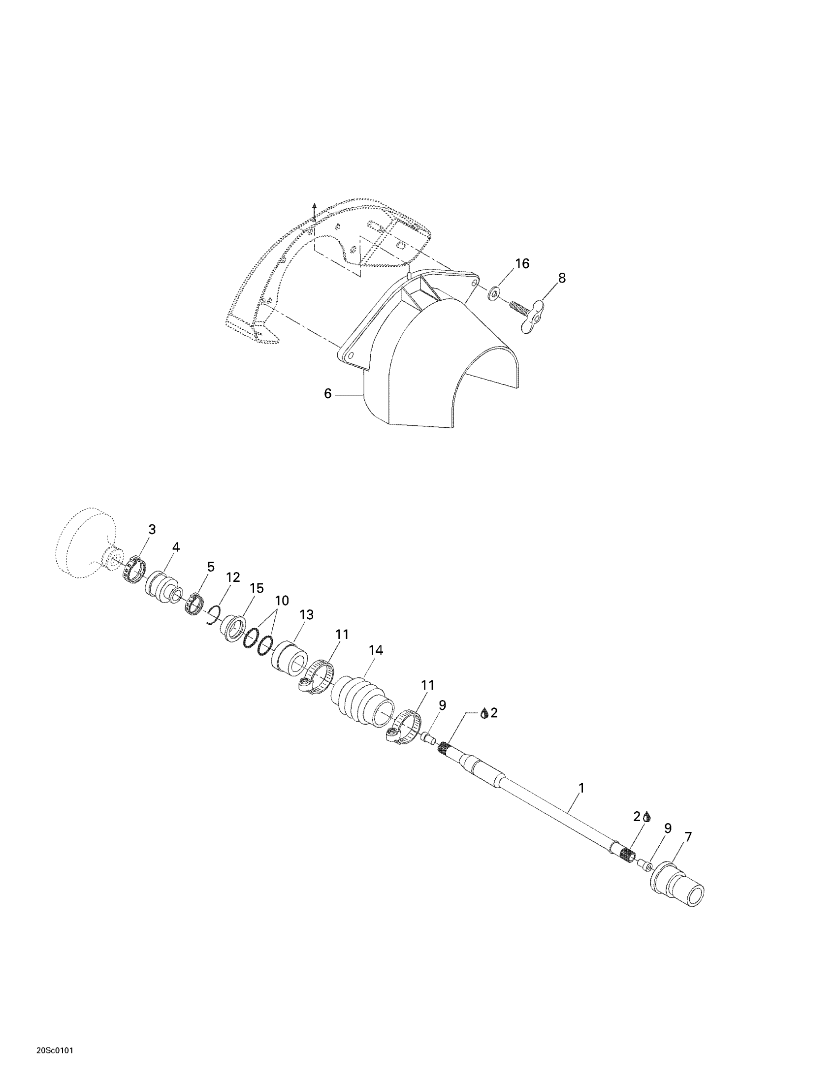
Sea-doo RX DI, 5534/5535/5536/5537, 2001 Drive System Diagram
#
Description
Price
1
DRIVE SHAFT - Call your local BRP dealership
272000151
Unavailable
2
Synthetic Grease, 400 G
293550010
Unavailable
3
OETIKER CLAMP - Call your local BRP dealership
293650021
Unavailable
4
RUBBER BOOT - Call your local BRP dealership
272000001
Unavailable
5
OETIKER CLAMP - Call your local BRP dealership
293650067
Unavailable
6
FLYWHEEL GUARD - Call your local BRP dealership
272000094
Unavailable
7
HULL INSERT, 33 MM - Call your local BRP dealership
292000075
Unavailable
8
Wing Screw M8 X 25
207982510
Unavailable
9
DRIVE SHAFT PLUG - Call your local BRP dealership
272000019
Unavailable
12
C-CLIP - Call your local BRP dealership
272000135
Unavailable
