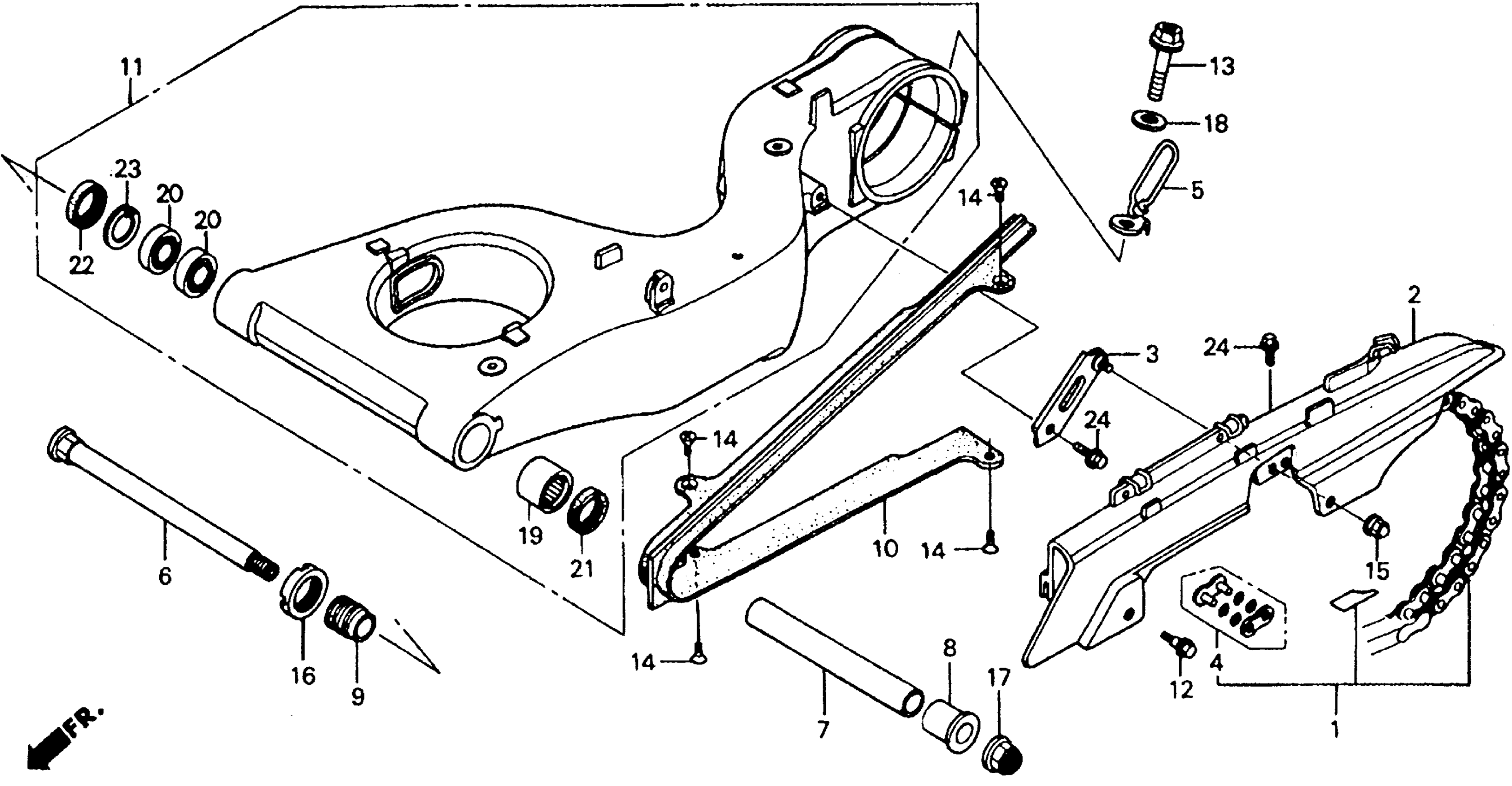
Honda RVF750RA (94) RC45, JPN, VIN# JH2RC450-RM000006 SWINGARM Diagram
#
Description
Price
1
CHAIN SET, DRIVE (102L-120L) (RK EXCEL)
06405-MW4-405
Unavailable
2
CASE, DRIVE CHAIN
40510-MW4-000
Unavailable
3
STAY, DRIVE CHAIN CASE
40512-MR8-000
Unavailable
4
MASTER LINK
40545-MT7-305
Unavailable
5
GUIDE, BRAKE HOSE
43350-MW4-000
Unavailable
6
BOLT, SWINGARM PIVOT
52101-MW0-000
Unavailable
7
COLLAR, SWINGARM PIVOT
52102-MW4-000
Unavailable
9
BOLT, PIVOT ADJUSTING
52109-MR8-000
Unavailable
10
SLIDER, CHAIN
52170-MR7-010
Unavailable
11
SWINGARM SET
52200-MW4-305
Unavailable
13
BOLT, FLANGE (16X51)
90155-MR7-000
Unavailable
14
SCREW, FLAT (5X12)
90156-MR8-000
Unavailable
16
NUT, LOCK (30X1.5)
90301-MR7-000
Unavailable
