- Partiron
- OEM Parts
- Yamaha
- motorcycle
- 1972
- RT2MX (RT2MX) 1972
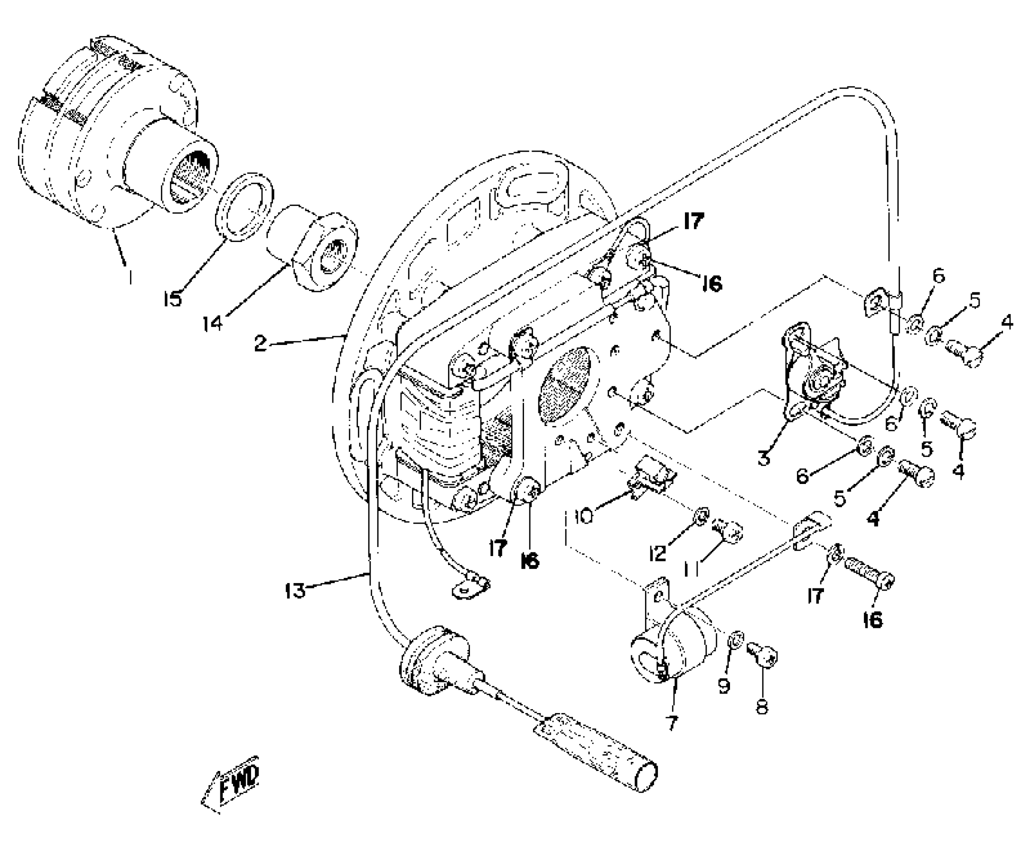
MAGNETO (DT2MX)
Yamaha RT2MX (RT2MX) 1972 MAGNETO (DT2MX) Diagram
#
Description
Price
1
NO LONGER AVAILABLE
324-81500-10-00
Unavailable
1
ROTOR ASSEMBLY
(324-81550-10-00)
Unavailable
2
STATOR ASSEMBLY
(324-81510-10-00)
Unavailable
3
.. CONTACT BRKR ASSEMBLY 1
324-81521-10-00
Unavailable
7
. CONDENSER
144-81526-10-00
Unavailable
8
SCREW, PAN HEAD(3XP)
98517-04006-00
Unavailable
10
LUBRICATOR
(132-81531-10-00)
Unavailable
11
SCREW, PAN HEAD(3XP)
98517-04006-00
Unavailable
13
LEAD WIRE ASSEMBLY
(324-81515-10-00)
Unavailable
14
NUT, ROTOR
(324-81553-10-00)
Unavailable
15
WASHER
(304-81554-10-00)
Unavailable
16
SCREW, PAN HEAD(6E5)
97880-06018-00
Unavailable
17
WASHER, SPRING
92995-06100-00
Unavailable
