- Partiron
- OEM Parts
- Yamaha
- motorcycle
- 1972
- RT2 (DT2) 1972
FLASHER LAMP
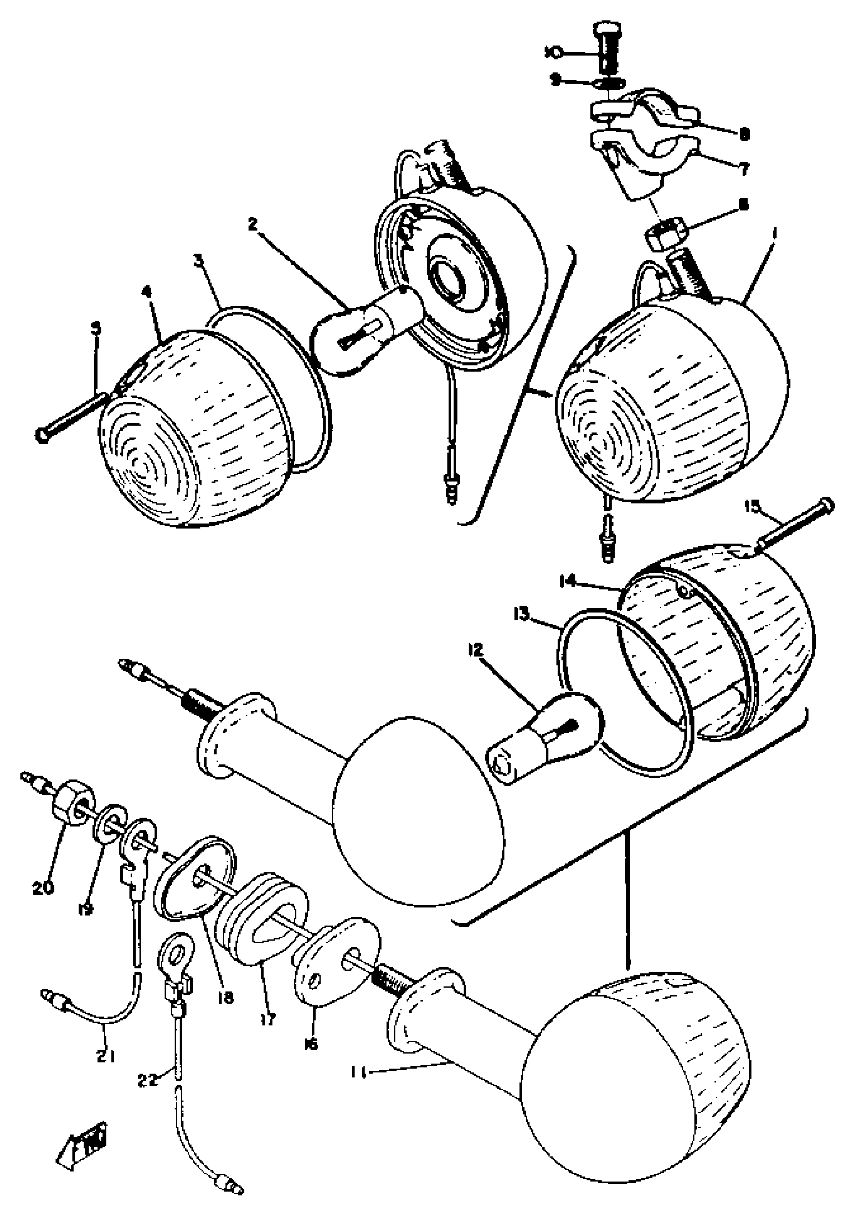
Yamaha RT2 (DT2) 1972 FLASHER LAMP Diagram
#
Description
Price
1
FRT FLSHR LITE ASSEMBLY (275-83320-60-93)
275-83310-60-93
Unavailable
2
BULB,FLASHER(6V18W)
115-83311-60-00
Unavailable
3
GASKET,FLASHER LANS
183-83313-70-00
Unavailable
4
LENS, FLASHER
183-83312-70-00
Unavailable
7
STAY, FLASHER 1
275-83318-00-00
Unavailable
8
STAY, FLASHER 2
275-83328-00-00
Unavailable
9
WASHER, TOOTH
92990-06300-00
Unavailable
11
R FLSHR LITE ASSEMBLY
(275-83330-65-93)
Unavailable
11
R FLSHR LITE ASSEMBLY
275-83340-65-93
Unavailable
12
BULB,FLASHER(6V18W)
115-83311-60-00
Unavailable
13
GASKET,FLASHER LANS
183-83313-70-00
Unavailable
14
. LENS, REAR RED FLASHER
211-83332-75-00
Unavailable
16
COLLAR, FLASHER 1
256-83316-00-00
Unavailable
17
DAMPER, FLASHER 1
256-83321-00-00
Unavailable
18
WASHER, SPEC''L SHAP
90209-08028-00
Unavailable
19
YBS67-8 WASHER, SPRING
92990-08100-00
Unavailable
21
CORD
(275-83336-00-00)
Unavailable
22
CORD
(275-83346-00-00)
Unavailable
