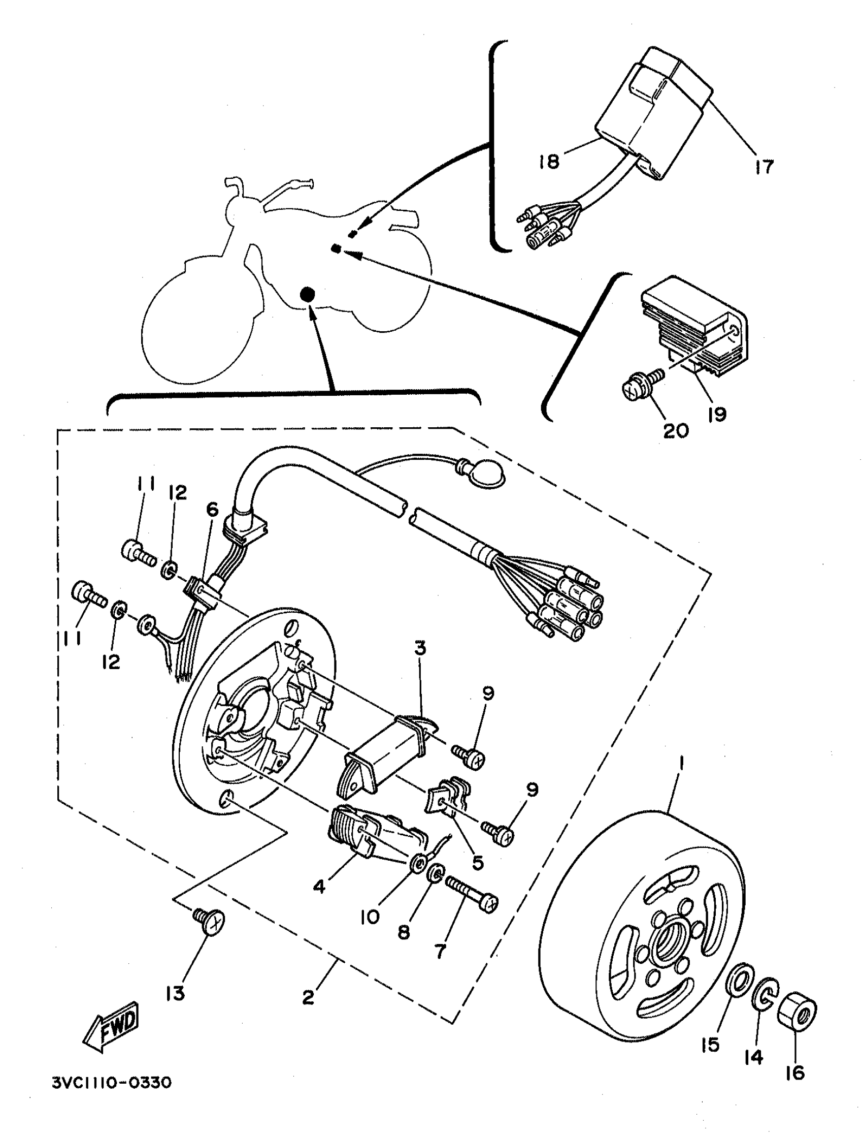
Yamaha RT180K (RT180) 3VC9 1998 GENERATOR Diagram
#
Description
Price
1
ROTOR ASSEMBLY
23K-H5550-00-00
Unavailable
2
BASE ASSEMBLY
42L-H5560-00-00
Unavailable
3
COIL, CHARGE
4Y4-85520-M1-00
Unavailable
4
. COIL, LIGHTING 1
42L-H1313-00-00
Unavailable
5
. COIL, PULSER
23L-85580-M0-00
Unavailable
6
CLAMP (2T4)
90461-05036-00
Unavailable
7
SCREW,PAN HEAD
98517-04030-00
Unavailable
10
. TERMINAL, EARTH 2
2H3-H5569-00-00
Unavailable
13
BOLT M6
9270N-06012-00
Unavailable
16
NUT(55K)
90170-12347-00
Unavailable
17
C.D.I. UNIT ASSEMBLY
23K-85540-M0-00
Unavailable
18
BAND
23K-H5546-01-00
Unavailable
19
RECTIFIER & REGULATOR ASSY
4CK-81960-01-00
Unavailable
20
SCREW, PAN HEAD WITH WASHER M
97602-05316-09
Unavailable
