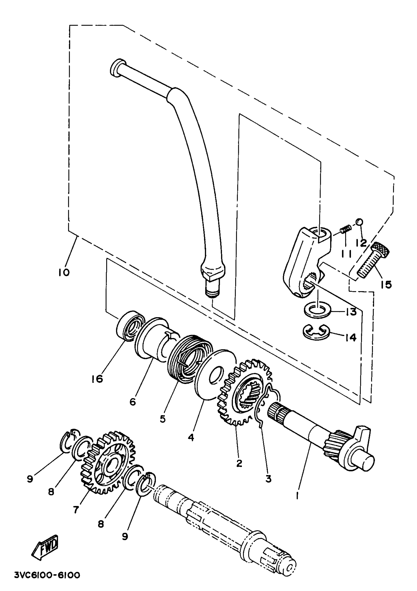
Yamaha RT180J (RT180) 1997 STARTER Diagram
#
Description
Price
1
KICK AXLE ASSY
4F2-15660-01-00
Unavailable
2
GEAR, KICK
1W1-15641-00-00
Unavailable
8
SHIM 1
3V9-E7417-00-00
Unavailable
10
KICK START ASSY
ACN-CK2TW-10-00
Unavailable
16
OIL SEAL (17X25X4-401)
93101-17062-00
Unavailable
