- Partiron
- OEM Parts
- Yamaha
- motorcycle
- 1996
- RT180H (RT180) 1996
REAR ARM
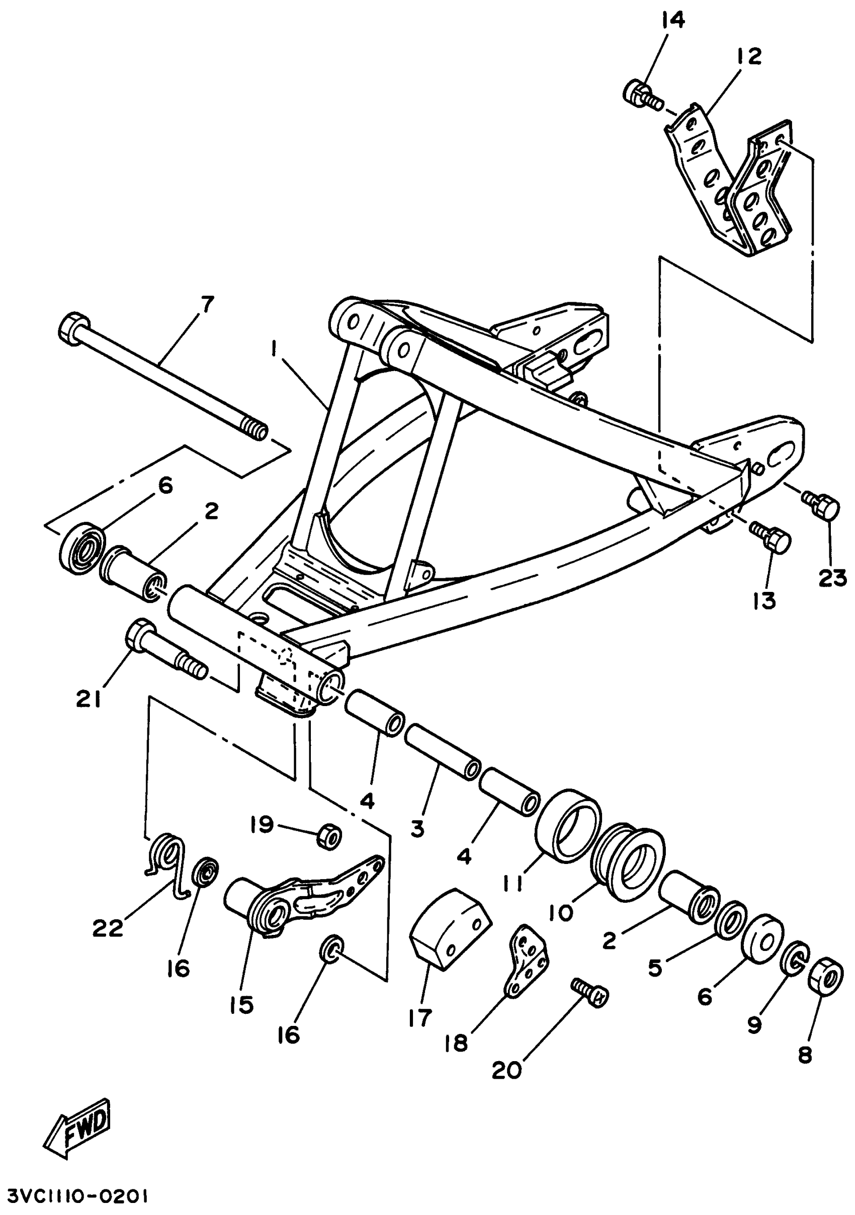
Yamaha RT180H (RT180) 1996 REAR ARM Diagram
#
Description
Price
1
REAR ARM COMP
3VC-F2110-00-35
Unavailable
3
BUSH 2
42L-F2124-00-00
Unavailable
4
BUSH, SOLID
90380-12120-00
Unavailable
12
GUARD, CHAIN
2A6-22318-00-00
Unavailable
13
BOLT,W/WASHER
97502-06420-09
Unavailable
14
BOLT, WITH WASHER M8
97506-08512-00
Unavailable
15
ARM, TENSIONER
2A6-22179-01-00
Unavailable
16
OIL SEAL (2K8)
93109-14021-00
Unavailable
17
TENSIONER (2N0-22178-00-00)
ACC-11130-00-25
Unavailable
18
GUIDE, CHAIN
1W1-22187-00-00
Unavailable
19
NUT, HEXAGON (663)
95380-05600-00
Unavailable
20
SCREW, PAN
98507-05035-00
Unavailable
21
BOLT (1J4)
90109-10483-00
Unavailable
22
SPRING, TORSION (1J4)
90508-35350-00
Unavailable
23
BOLT, WITH WASHER
97502-05216-09
Unavailable
