- Partiron
- OEM Parts
- Yamaha
- motorcycle
- 1996
- RT180H (RT180) 1996
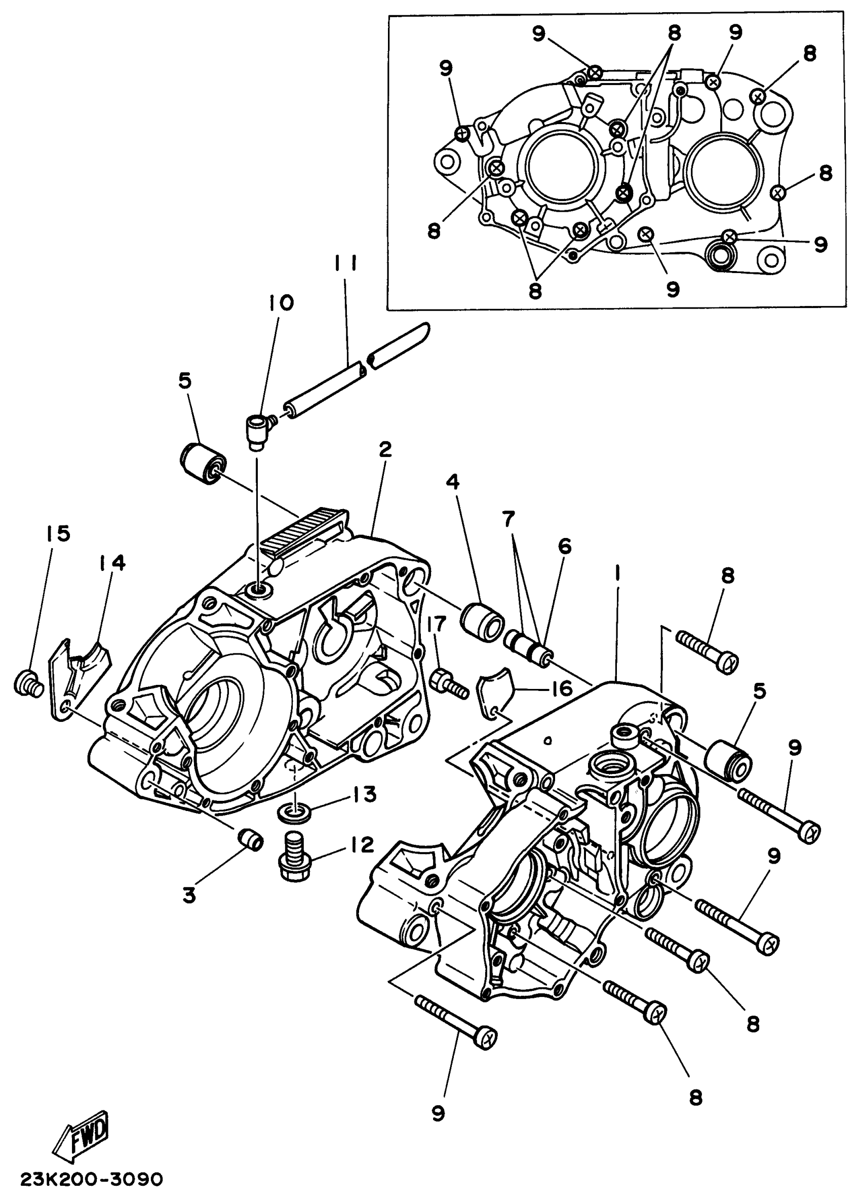
CRANKCASE
Yamaha RT180H (RT180) 1996 CRANKCASE Diagram
#
Description
Price
1
CRANKCASE SET
5L9-E5150-00-00
Unavailable
2
CRANKCASE SET
5L9-E5150-00-00
Unavailable
4
PIN, DOWEL
99530-20020-00
Unavailable
14
HOLDER
2H3-E5128-00-00
Unavailable
16
PLATE, COVER
2TW-E7476-00-00
Unavailable
17
BOLT (661)
97013-06012-00
Unavailable
