- Partiron
- OEM Parts
- Yamaha
- motorcycle
- 1991
- RT180B (RT180) 1991
FRONT FORK
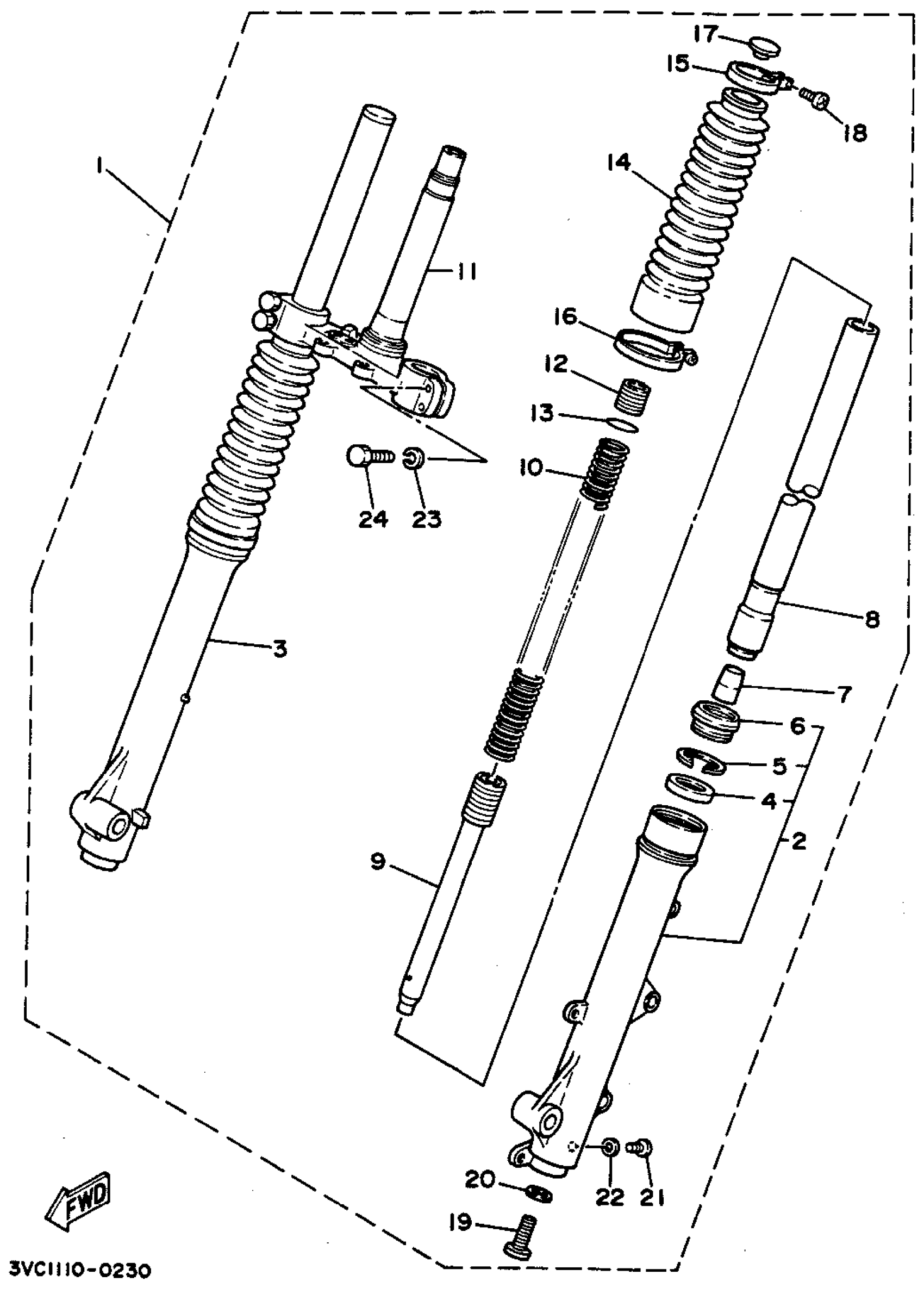
Yamaha RT180B (RT180) 1991 FRONT FORK Diagram
#
Description
Price
1
FRONT FORK ASSEMBLY
[3V-CF310-00-00
Unavailable
2
OUTTER TUBE LH
2TW-F3102-00-00
Unavailable
3
. OUTER TUBE COMP (RH)
2TW-F3107-00-00
Unavailable
4
.. OIL SEAL
58W-F3145-00-00
Unavailable
5
.. OIL SEAL, STOPPER
93420-48001-09
Unavailable
6
.. SEAL, DUST
5L9-F3144-10-00
Unavailable
7
. SPINDLE, TAPER
5L9-F3173-10-00
Unavailable
8
. INNER TUBE COMP 1
016-F3110-00-00
Unavailable
9
. CYLINDER COMP, FRONT FORK (016-F3170-00-00)
016-F3170-01-00
Unavailable
10
. SPRING, FRONT FORK
58W-F3141-00-00
Unavailable
11
UNDER BRACKET COMP
2TW-F3340-10-35
Unavailable
12
. BOLT, CAP
5L9-F3111-10-00
Unavailable
14
. BOOT
37N-23191-30-00
Unavailable
15
. BAND
5L9-F3192-10-00
Unavailable
16
. CLAMP, HOSE (90460-58141-00)
[90-46058-80-70
Unavailable
17
. CAP, FORNT FORK
5L9-F3168-10-00
Unavailable
18
SCREW, PAN HEAD
98517-04016-00
Unavailable
19
BOLT, HEXAGON SOCKET HEAD
3D8-23181-00-00
Unavailable
20
GASKET
509-23158-L0-00
Unavailable
21
SCREW, PAN HEAD (713)
98580-04008-00
Unavailable
22
. GASKET, DRAIN PLUG
5L9-F3129-00-00
Unavailable
23
YBS67-8 WASHER, SPRING
92990-08100-00
Unavailable
24
BOLT, HEXAGON
97013-08030-00
Unavailable
